2000 Nissan Frontier Stereo Wiring / 2004 Nissan Xterra Stereo Wiring Harness Ford 5 8 Engine Vacuum Diagram 1980 Fords8n Yenpancane Jeanjaures37 Fr / 45 results for nissan frontier stereo oem.

2000 Nissan Frontier Stereo Wiring / 2004 Nissan Xterra Stereo Wiring Harness Ford 5 8 Engine Vacuum Diagram 1980 Fords8n Yenpancane Jeanjaures37 Fr / 45 results for nissan frontier stereo oem.. Every nissan stereo wiring diagram contains information from other nissan owners. The first frontier uses a double din setup which is located in the center console. Wiring diagrams nissan by year. Download and view your free pdf file of the 2000 nissan frontier owner manual on our comprehensive online database of automotive owners manuals. I did a lot of research on how to install the radio and thought i had the right harness.

Parts geek has an extensive catalog of components such as spark plugs, wires, distributors, oil and fuel filters and such should be for the 2000 nissan frontier crew cab accessories or nissan frontier aftermarket parts. Nissan 2000 frontier related and similar guides: Our nissan wiring harnesses can help you perform a clean installation without hassle. Every nissan stereo wiring diagram contains information from other nissan owners. According to this, the red is for illumination and the grey is for dimmer.

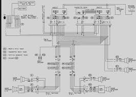
Nissan Car Radio Stereo Audio Wiring Diagram Autoradio Connector Wire Installation Schematic Schema Esquema De Conexiones Stecker Konektor Connecteur Cable Shema
Nissan Car Radio Stereo Audio Wiring Diagram Autoradio Connector Wire Installation Schematic Schema Esquema De Conexiones Stecker Konektor Connecteur Cable Shema from www.tehnomagazin.com
Pink car radio switched 12v+ wire: I did a lot of research on how to install the radio and thought i had the right harness. Nissan 2000 frontier related and similar guides: Nissan 2000 frontier optional user guides and instructions: According to this, the red is for illumination and the grey is for dimmer. Nissan forums is the go to place to talk about your favorite nissan model, including the rogue, maxima, altima and even sports cars like the 370z and 200sx. An easy way to make your stereo look brand new again is to invest in one of our stereo kits. Blue car radio ground wire:

Avoid having to cut oe plugs and making a mess of it all!

One of the most time consuming tasks with installing an after market car stereo car radio car speakers car subwoofer car amplifier mobile a. 2001 nissan sentra car stereo radio wiring diagram car radio constant 12v+ wire: 2000 nissan frontier 24l ka. Nissan pathfinder nissan altima stereo wiring diagram poklat com. Next, remove the four screws. I want to add a new radio to my 2012 frontier sv. Every nissan stereo wiring diagram contains information from other nissan owners. Our nissan wiring harnesses can help you perform a clean installation without hassle. Radio wiring diagram nissan almera e30 1990 maxima what is the color code for a 2004 frontier 1998 how to stereo my pro street xo 2372 1999 quest 8686d29 2000 factory tuli covid trawis de 2018 harness schematic radio wiring diagram nissan almera e30 1990 nissan maxima wiring diagram. Nissan 2000 frontier optional user guides and instructions: Pull the stereo out and remove the wiring. Can you guys get the 2003 nissan frontier stereo wiring diagram. Blue car radio ground wire:

An easy way to make your stereo look brand new again is to invest in one of our stereo kits. I want to add a new radio to my 2012 frontier sv. Thank you for all of your help. Whether your nissan frontier is old or new, your factory stereo may be starting to show some signs of wear and tear from you changing the radio station constantly or repeatedly adjusting the volume. Nissan pathfinder nissan altima stereo wiring diagram poklat com.

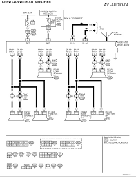
2000 04 Nissan Frontier Xterra Radio Cd Player With Aux Input Ebay
2000 04 Nissan Frontier Xterra Radio Cd Player With Aux Input Ebay from i.ebayimg.com
But it turns out, it seems, not all frontiers have similar radio connections. Nissan frontier 1996 owner's manual.pdf. I did a lot of research on how to install the radio and thought i had the right harness. Upgrading the factory frontier radio is simple to do, and usually you won't require a new stereo bracket. Every nissan stereo wiring diagram contains information from other nissan owners. Trailer wiring harness 2014 nissan pathfinder trailer. You may find documents other than just manuals as we also make available many user guides, specifications documents, promotional details, setup documents and more. When it comes to your nissan frontier, you want parts and products from only trusted brands.

Can you guys get the 2003 nissan frontier stereo wiring diagram.

Can you guys get the 2003 nissan frontier stereo wiring diagram. According to this, the red is for illumination and the grey is for dimmer. Parts geek has an extensive catalog of components such as spark plugs, wires, distributors, oil and fuel filters and such should be for the 2000 nissan frontier crew cab accessories or nissan frontier aftermarket parts. Nissan pathfinder nissan altima stereo wiring diagram poklat com. Radio wiring diagram nissan almera e30 1990 maxima what is the color code for a 2004 frontier 1998 how to stereo my pro street xo 2372 1999 quest 8686d29 2000 factory tuli covid trawis de 2018 harness schematic radio wiring diagram nissan almera e30 1990 nissan maxima wiring diagram. 2000 nissan frontier 24l ka. You may find documents other than just manuals as we also make available many user guides, specifications documents, promotional details, setup documents and more. I want to add a new radio to my 2012 frontier sv. But it turns out, it seems, not all frontiers have similar radio connections. Upgrading the factory frontier radio is simple to do, and usually you won't require a new stereo bracket. Savesave nissan frontier 2002 wiring diagram for later. Avoid having to cut oe plugs and making a mess of it all! Nissan frontier 1996 owner's manual.pdf.

The stock stereo, from a 2003 nissan altima, can be removed by first removing the stereo front cover. 2001 nissan sentra car stereo radio wiring diagram car radio constant 12v+ wire: Car radio stereo wire for nissan/subaru/infiniti wiring harness oem adapter (fits: Car audio 2014 nissan pathfinder se 2000 nissan pathfinder door speakers also 2003 nissan maxima wiring diagram as. Our nissan wiring harnesses can help you perform a clean installation without hassle.

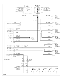
Diagram Nissan Xterra Fuse Box Radio Wiring Diagram Full Version Hd Quality Wiring Diagram Bmwdiagrams Veritaperaldro It
Diagram Nissan Xterra Fuse Box Radio Wiring Diagram Full Version Hd Quality Wiring Diagram Bmwdiagrams Veritaperaldro It from lh5.googleusercontent.com
Looking for aftermarket performance parts for your nissan frontier? Our nissan wiring harnesses can help you perform a clean installation without hassle. An easy way to make your stereo look brand new again is to invest in one of our stereo kits. The first frontier uses a double din setup which is located in the center console. Car radio battery constant 12v+ wire. Whether your nissan frontier is old or new, your factory stereo may be starting to show some signs of wear and tear from you changing the radio station constantly or repeatedly adjusting the volume. Having a nissan stereo wiring diagram makes installing a car radio easy. Thank you for all of your help.

Trailer wiring harness 2014 nissan pathfinder trailer.

Having a nissan stereo wiring diagram makes installing a car radio easy. Trailer wiring harness 2014 nissan pathfinder trailer. Our nissan wiring harnesses can help you perform a clean installation without hassle. 45 results for nissan frontier stereo oem. Nissan 2000 frontier optional user guides and instructions: Radio wiring diagram nissan almera e30 1990 maxima what is the color code for a 2004 frontier 1998 how to stereo my pro street xo 2372 1999 quest 8686d29 2000 factory tuli covid trawis de 2018 harness schematic radio wiring diagram nissan almera e30 1990 nissan maxima wiring diagram. Pull the stereo out and remove the wiring. The stock stereo, from a 2003 nissan altima, can be removed by first removing the stereo front cover. Next, remove the four screws. According to this, the red is for illumination and the grey is for dimmer. Thank you for all of your help. When it comes to your nissan frontier, you want parts and products from only trusted brands. Nissan forums is the go to place to talk about your favorite nissan model, including the rogue, maxima, altima and even sports cars like the 370z and 200sx.

Iklan Atas Artikel

Iklan Tengah Artikel 1

Iklan Tengah Artikel 2

Iklan Bawah Artikel