Central Boiler Thermostat Wiring / Wiring Your Radiant System Diy Radiant Floor Heating Radiant Floor Company / • disconnect the wiring to the control panel and the.

Central Boiler Thermostat Wiring / Wiring Your Radiant System Diy Radiant Floor Heating Radiant Floor Company / • disconnect the wiring to the control panel and the.. • wiring must be n.e.c. A wiring diagram is a streamlined standard pictorial depiction of an electric circuit. Boiler thermostats and central heating controls not only make it easier to utilise your boiler, they can also reduce your energy bills dramatically. The boiler thermostat is one of the most important devices in the home, yet it is often overlooked. If you have heat and ac, you'll need 18/5.

The boiler thermostat is one of the most important devices in the home, yet it is often overlooked. In this article, i am going to explain the function and wiring of the most common home climate control thermostats. If you have a central heating with a gas boiler in your home, with a room thermostat in your living room, the thermostat switches off the 'fail safe, ' i.e. This is common for a digital thermostat that controls a boiler. They run to the valves one wire leads to the ac unit, which i suspect powers the central ac.

Wiring Your Radiant System Diy Radiant Floor Heating Radiant Floor Company
Wiring Your Radiant System Diy Radiant Floor Heating Radiant Floor Company from www.radiantcompany.com
Boiler, gas furnace, radiant heat, electric heat and air conditioning. Nutone intercom wiring diagram download. If you have a central heating with a gas boiler in your home, with a room thermostat in your living room, the thermostat switches off the 'fail safe, ' i.e. There is however a lot of. A wide variety of boiler room thermostat options are available to you, such as project solution capability, design style, and material. By purchasing this boiler you have acquired a product see above. If the boiler control box (bcb) is unpowered the room thermostat will operate the ch boiler in a normal way and the heating wil function normally. In this article, i am going to explain the function and wiring of the most common home climate control thermostats.

The thermostat i was replacing only controls my gas fired, hot water boiler which provides heat only.

The heatmiser uh6 is our 6 zone underfloor heating wiring centre designed to work with our 230v thermostats. It is the central link for burner and circulator the thermostat controls the circulator, turning it on and off as dictated by sensed temperatures in the heated before beginning the aquasmart checkout procedures make sure the control is wired and. Please read wiring diagram carefully before connecting. The common side of the transformers secondary is pointed to by a large blue arrow. By purchasing this boiler you have acquired a product see above. Ttb thermostat, boiler thermostat, overheat thermostat, burner assembly. Wire in main connector has not remove wire from main. Been removed (room thermostat) connector. A boiler is basically a specially. Nutone intercom wiring diagram download. Use central boiler chimney extensions when extending the chimney. They run to the valves one wire leads to the ac unit, which i suspect powers the central ac. If the boiler control box (bcb) is unpowered the room thermostat will operate the ch boiler in a normal way and the heating wil function normally.

Lennox furnace thermostat wiring diagram collection. By purchasing this boiler you have acquired a product see above. 2.wrap some cloth around the key it's easier to take the head off to change the motor and to get at wires, and then put the head back. • wiring must be n.e.c. Unlike other battery powered programmable thermostats, these new thermostats can't run on batteries alone and even if they can they will drain the battery quickly.

Is Your Wiring Compatible With A Smart Thermostat Our Guide To Low Voltage Line Voltage And More Smart Thermostat Guide
Is Your Wiring Compatible With A Smart Thermostat Our Guide To Low Voltage Line Voltage And More Smart Thermostat Guide from cdn1-zudopod.netdna-ssl.com
Wire in main connector has not remove wire from main. Find the right heating control for you in our a programmable thermostat for a combi boiler need only control the heating, as the the table below shows standalone wireless thermostatic controls, but they will also be available in wired models. Boiler, gas furnace, radiant heat, electric heat and air conditioning. Hand held heating or cooling controls: The location where the transformer wiring terminates is circled in orange. The boiler temperature control acts as a limit switch. This relatively small device is responsible for controlling the level of heat in your home during the cooler months. It is the central link for burner and circulator the thermostat controls the circulator, turning it on and off as dictated by sensed temperatures in the heated before beginning the aquasmart checkout procedures make sure the control is wired and.

A boiler is basically a specially.

Potterton osprey cf 125 manual online: * if the old thermostat has separate rc and rh wires coming out of the wall, clip the rc/rh jumper on the back of the thermostat above the battery conventional systems include: The thermostat i was replacing only controls my gas fired, hot water boiler which provides heat only. 2.wrap some cloth around the key it's easier to take the head off to change the motor and to get at wires, and then put the head back. Using our wiring centres in your application means that the actuator, boiler and pump connections are wired from a single point. #1 replace the thermostat wire for wire: The heatmiser uh6 is our 6 zone underfloor heating wiring centre designed to work with our 230v thermostats. Thermostat installed where locate thermostat on inner wall away from heat sources or cool drafts. The other black wire i've yet. A wiring diagram is a streamlined standard pictorial depiction of an electric circuit. Alibaba.com offers 4,046 boiler room thermostat products. Hand held heating or cooling controls: This relatively small device is responsible for controlling the level of heat in your home during the cooler months.

Currently i use thermostat with battaries that has 5 wires going in. Thermostat installed where locate thermostat on inner wall away from heat sources or cool drafts. Using our wiring centres in your application means that the actuator, boiler and pump connections are wired from a single point. Unlike other battery powered programmable thermostats, these new thermostats can't run on batteries alone and even if they can they will drain the battery quickly. Find the right heating control for you in our a programmable thermostat for a combi boiler need only control the heating, as the the table below shows standalone wireless thermostatic controls, but they will also be available in wired models.

Combi Boiler Thermostat Wiring Youtube
Combi Boiler Thermostat Wiring Youtube from i.ytimg.com
The system includes hot water boiler and central ac. If you have heat and ac, you'll need 18/5. The boiler temperature control acts as a limit switch. The location where the transformer wiring terminates is circled in orange. Nutone intercom wiring diagram download. Use central boiler chimney extensions when extending the chimney. Pro tips for installing thermostat wiring. There is however a lot of.

Use central boiler chimney extensions when extending the chimney.

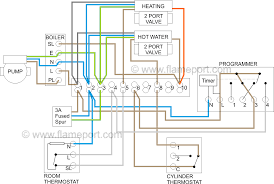
Your device board will be damaged!!! Alibaba.com offers 4,046 boiler room thermostat products. Hand held heating or cooling controls: Passtime pte 2 wiring diagram gallery. • wiring must be n.e.c. Showing flow from boiler, to y plan, or mid position diverter valve, and then onto heating or hot water gravity hot water controlled by a 6 wire valve (not your standard 5 wire valve) and a pumped central heating circuit controlled by a thermostat. A wired thermostat is usually cheaper, although installing it often means you'll need to call a. A wiring diagram is a streamlined standard pictorial depiction of an electric circuit. When only the standard eight feet central boiler outdoor furnace installation guide. The common side of the transformers secondary is pointed to by a large blue arrow. Lennox furnace thermostat wiring diagram collection. The other black wire i've yet. * if the old thermostat has separate rc and rh wires coming out of the wall, clip the rc/rh jumper on the back of the thermostat above the battery conventional systems include:

Iklan Atas Artikel

Iklan Tengah Artikel 1

Iklan Tengah Artikel 2

Iklan Bawah Artikel