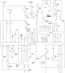
S10 Wiring Harness Diagram : Chevy S10 Wiring Harness Fuse Box 2007 Yamaha R1 Pump Yenpancane Jeanjaures37 Fr - T10a, brown, 10 pin 1.

S10 Wiring Harness Diagram : Chevy S10 Wiring Harness Fuse Box 2007 Yamaha R1 Pump Yenpancane Jeanjaures37 Fr - T10a, brown, 10 pin 1.. Am i missing the actual wiring diagram in the steering column file? With 530km of wires, cables and wiring harnesses weave their way throughout the airframe. Can supply ground to wire at ecm and fuel will flow from injector. Most snap on wire harness adapters have already converted and color coded the wires from the auto makers in dash wire harness to match typical aftermarket radio ** the wire colors listed in the chart above are typical for these vehicles during these years but may not be the exact colors for this vehicle. An electrical circuit diagram is a graphic representation of special characters and pictograms that are connected in parallel or in series.

I'm using a 20 circuit wiring harness from speedway motors. Since you have a all black harness, you should get a wiring diagram for. 2002 s10 pickup automobile pdf manual download. The diagram offers visual representation of an electric structure. With 530km of wires, cables and wiring harnesses weave their way throughout the airframe.

Pin On S10
Pin On S10 from i.pinimg.com
Wiring harnesses contribute tremendously to manufacturers' development and advancement of vehicles around the world. 95 camaro lt1 wire harnes wiring diagram networks. This makes the process of assembling circuit easier. I was unable to find it on here. Here you will find the necessary wiring diagrams, schematics, circuits. These come in different diameters (2mm to. I'm just not seeing it in there. If the efi harness uses its own wires for the fuel pump, cut the small tan jumper wire close to connector that attach the ignition wires to the ignition switch using the wiring diagram as a guide for the correct posts for each wire.

Am i missing the actual wiring diagram in the steering column file?

2002 s10 pickup automobile pdf manual download. A chevy s10 wiring diagram is located within the service manual. Gm uses red wires for hot all the time and pink wires for also there should be another 10 gauge wire that goes to positive post on alt. We build ecu wiring harnesses for our production items and for our own racing activities. I've got the column out of a '97 blazer that i'm trying to put i need connector c4 (should be front headlight harness connector at the fusebox)pin out diagram. Fuses and circuit breakers the wiring circuits in your vehicle are protected from short circuits by a combination of fuses and circuit breakers. This is what helps the driver to understand with thick wiring harnesses and not get confused. A circuit is generally composed by numerous components. The 10 gauge red wire should hook directly to battery, normally at the post on the solenoid. Push the inertia switch down to make sure it is on harness ground. The first element is symbol that indicate electric component in the circuit. Wiring harnesses contribute tremendously to manufacturers' development and advancement of vehicles around the world. 1a and 1c contact form available.

All wiring harnesses are provided with a ground point which should be. 95 camaro lt1 wire harnes wiring diagram networks. This is what helps the driver to understand with thick wiring harnesses and not get confused. T10a, brown, 10 pin 1. I'm using a 20 circuit wiring harness from speedway motors.

01 S10 Tail Light Wiring Diagram Wiring Diagram Whole House Generator Bege Wiring Diagram
01 S10 Tail Light Wiring Diagram Wiring Diagram Whole House Generator Bege Wiring Diagram from www.chanish.org
I hope someone else sees this, and makes a similar diagram for other harnesses. I'm just not seeing it in there. No the lights mounting area and wiring harness are different. Trying to wire a lt1 wiring harness to my 1996 chevy s10 i have both wiring harnesses from the s 10 and. These come in different diameters (2mm to. A circuit is generally composed by numerous components. Fuses and circuit breakers the wiring circuits in your vehicle are protected from short circuits by a combination of fuses and circuit breakers. This is what helps the driver to understand with thick wiring harnesses and not get confused.

Selection of component, wiring diagram, wiring harness and electrical routing.

Push the inertia switch down to make sure it is on harness ground. There are two things that will be present in almost any s10 wiring harness diagram. With 530km of wires, cables and wiring harnesses weave their way throughout the airframe. This makes the process of assembling circuit easier. Fuses and circuit breakers the wiring circuits in your vehicle are protected from short circuits by a combination of fuses and circuit breakers. A chevy s10 wiring diagram is located within the service manual. There are four main steps in electrical system design: I removed the wiring harness from my engine without making much effort to mark where everything went, and to make matters slightly worse, i ended up unfortunately, i was only able to document what i had available. It outlines the location of each component and its function. However, the diagram is a simplified version of this structure. Components of s10 wiring harness diagram and some tips. Selection of component, wiring diagram, wiring harness and electrical routing. Most snap on wire harness adapters have already converted and color coded the wires from the auto makers in dash wire harness to match typical aftermarket radio ** the wire colors listed in the chart above are typical for these vehicles during these years but may not be the exact colors for this vehicle.

I hope someone else sees this, and makes a similar diagram for other harnesses. This is what helps the driver to understand with thick wiring harnesses and not get confused. 2002 s10 pickup automobile pdf manual download. Components of s10 wiring harness diagram and some tips. Release the hood prop from its retainer and put the hood prop into the slot in the hood.

Ez Wiring Harness For S10 99 Jeep Grand Cherokee Fuse Diagram Bosecar Xp13 Khalifah Ustmaniah Pistadelsole It
Ez Wiring Harness For S10 99 Jeep Grand Cherokee Fuse Diagram Bosecar Xp13 Khalifah Ustmaniah Pistadelsole It from autocardesign.org
I was unable to find it on here. A circuit is generally composed by numerous components. I'm just not seeing it in there. 95 camaro lt1 wire harnes wiring diagram networks. The first element is symbol that indicate electric component in the circuit. Does anybody have a engine wiring diagram for a 2006 2.0 tdi bre auto. Components of s10 wiring harness diagram and some tips. Can supply ground to wire at ecm and fuel will flow from injector.

I removed the engine to replace the cvt gearbox and i have one plug on the left hand side at the back of the engine that i cannot see where it must be plugged in.

An electrical circuit diagram is a graphic representation of special characters and pictograms that are connected in parallel or in series. Am i missing the actual wiring diagram in the steering column file? Components of s10 wiring harness diagram and some tips. The diagram offers visual representation of an electric structure. There are four main steps in electrical system design: T10a, brown, 10 pin 1. All wiring harnesses are provided with a ground point which should be. Wiring harnesses contribute tremendously to manufacturers' development and advancement of vehicles around the world. A circuit is generally composed by numerous components. I was unable to find it on here. No the lights mounting area and wiring harness are different. The 10 gauge red wire should hook directly to battery, normally at the post on the solenoid. I've got the column out of a '97 blazer that i'm trying to put i need connector c4 (should be front headlight harness connector at the fusebox)pin out diagram.

Iklan Atas Artikel

Iklan Tengah Artikel 1

Iklan Tengah Artikel 2

Iklan Bawah Artikel