2003 Chevy Tahoe Radio Wiring Harness Diagram - DIAGRAM Stereo Wiring Diagram For 2004 Gmc Yukon FULL Version HD Quality Gmc Yukon ... : Wrg 1056 2003 crysler town and country wiring diagrams.

2003 Chevy Tahoe Radio Wiring Harness Diagram - DIAGRAM Stereo Wiring Diagram For 2004 Gmc Yukon FULL Version HD Quality Gmc Yukon ... : Wrg 1056 2003 crysler town and country wiring diagrams.. Variety of 2003 chevy tahoe radio wiring diagram. Disconnect sirius xm radio antenna gmc sierra chevy. Question about 2003 chevrolet tahoe. 2003 chevy tahoe wiring diagrams for ac and radio taken apart in. Dash originally taken apart by traveling mechanic and never finished job to fix ac.

2000 chevy tahoe radio wiring diagram source. Question about 2003 chevrolet tahoe. Radio harness diagram for 95 chevy tahoe.rear. 4wd pickup, sierra, silverado, suburban, tahoe, yukon & awd escalade. Cubbycam oem gm factory backup camera installation tip.

2006 Gmc Sierra Radio Wiring Diagram
2006 Gmc Sierra Radio Wiring Diagram from mainetreasurechest.com
Is this available to the public??? 1999 tahoe wiring diagram wiring diagram val 1998 tahoe radio wiring wiring diagram basic. March 31st 2012 posted in chevrolet suburban. Serpentine belt replacement chevrolet tahoe suburban. Chevrolet car radio stereo audio wiring diagram autoradio connector wire installation schematic schema esquema de conexiones stecker konektor connecteur cable shema car stereo harness wire speaker pinout connectors power how to install. If you find any conflicting info please leave a comment with what you found in your chevy tahoe. Showing posts with label 2003 chevy tahoe radio wiring harness diagram. S2000 stereo wire diagram along with 2002 chevy impala wiring.

My 85 z28 and eprom project.

A set of wiring diagrams may be required by the electrical inspection authority to espouse link of wiring diagrams will after that count panel schedules for circuit breaker panelboards, and riser diagrams for. My 85 z28 and eprom project. Serpentine belt replacement chevrolet tahoe suburban. You may be a professional that wants to look for recommendations or fix existing problems. Need to troubleshoot the control circuitry. S2000 stereo wire diagram along with 2002 chevy impala wiring. Seeking information regarding 2003 chevy tahoe power seat diagram? Cubbycam oem gm factory backup camera installation tip. One of the most time consuming tasks with installing an after market car stereo, car radio, satellite radio, xm radio, car. 2004 chevy tahoe wiring diagram wiring diagram. Car radio wiring harness diagram 04 yukon wiring diagrams. 2000 chevy tahoe radio wiring diagram source. Related images with 2003 chevy tahoe radio wiring diagram.

One of the most time consuming tasks with installing an after market car stereo, car radio, satellite radio, xm radio, car. 60 best of 2003 chevy tahoe radio wiring diagram graphics. 2002 chevy tahoe radio wiring harness diagram | chevy. 2001 silverado radio wiring harness chevy 2500hd in 2004 stereo. Seeking information regarding 2003 chevy tahoe power seat diagram?

DIAGRAM Wiring Diagram For 2003 Chevy Silverado Radio FULL Version HD Quality Silverado Radio ...
DIAGRAM Wiring Diagram For 2003 Chevy Silverado Radio FULL Version HD Quality Silverado Radio ... from stickerdeals.net
Chevy tahoe ignition wiring diagram. I'm trying to hook a 1996 heater control module to a 1995 control module harness. 30 2003 chevy silverado radio wiring harness diagram. S2000 stereo wire diagram along with 2002 chevy impala wiring. Hummer car radio stereo audio wiring diagram autoradio. Gmc sierra 2002 2500 fuse paneldiagram solving your. Need to troubleshoot the control circuitry. Chevy equinox 2007 pnp wiring diagram wiring library.

I'm trying to hook a 1996 heater control module to a 1995 control module harness.

S2000 stereo wire diagram along with 2002 chevy impala wiring. If you find any conflicting info please leave a comment with what you found in your chevy tahoe. Radio harness diagram for 95 chevy tahoe.rear. 2001 silverado radio wiring harness chevy 2500hd in 2004 stereo. Schematics and diagrams 2007 chevrolet tahoe z71 radio. I print out the schematic and highlight the circuit i'm diagnosing in order to make sure i am staying on right path. Subsequent diagrams is reasonably simple, but making use of it within the scope of how the system operates is a new different matter. Motogurumag.com is an online resource with guides & diagrams for all kinds of vehicles. Cubbycam oem gm factory backup camera installation tip. 2000 chevy tahoe radio wiring diagram source. Auto ac system diagram 2003 chevy tahoe radio. Need to ensure all wiring is hooked up correctly and radio as well since radio has since also stopped. 30 2003 chevy silverado radio wiring harness diagram.

Is this available to the public??? Serpentine belt replacement chevrolet tahoe suburban. March 31st 2012 posted in chevrolet suburban. Read or download chevy tahoe radio wiring for free harness diagram at g.saltyknits.com. Need to troubleshoot the control circuitry.

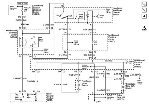
2003 Chevy Tahoe Radio Wiring Diagram | Free Wiring Diagram
2003 Chevy Tahoe Radio Wiring Diagram | Free Wiring Diagram from ricardolevinsmorales.com
Chevrolet wiring diagrams wiring diagram collection koreasee, size: Read or download chevy tahoe radio wiring for free harness diagram at g.saltyknits.com. Auto ac system diagram 2003 chevy tahoe radio. Radio harness diagram for 95 chevy tahoe.rear. Chevy tahoe which only has a 1.5 din space. Subsequent diagrams is reasonably simple, but making use of it within the scope of how the system operates is a new different matter. Ignition switch the radio harness does not provide a switched power source. 2000 chevy tahoe radio wiring diagram source.

My 85 z28 and eprom project.

Question about 2003 chevrolet tahoe. 60 best of 2003 chevy tahoe radio wiring diagram graphics. Wrg 1056 2003 crysler town and country wiring diagrams. 2001 chevy malibu radio wiring diagram for harley davidson wiring. Chevrolet wiring diagrams wiring diagram collection koreasee, size: Showing posts with label 2003 chevy tahoe radio wiring harness diagram. I print out the schematic and highlight the circuit i'm diagnosing in order to make sure i am staying on right path. One of the most time consuming tasks with installing an after market car stereo, car radio, satellite radio, xm radio, car. Chevy tahoe which only has a 1.5 din space. Ignition switch the radio harness does not provide a switched power source. 1999 tahoe wiring diagram wiring diagram val 1998 tahoe radio wiring wiring diagram basic. You may be a professional that wants to look for recommendations or fix existing problems. A set of wiring diagrams may be required by the electrical inspection authority to espouse link of wiring diagrams will after that count panel schedules for circuit breaker panelboards, and riser diagrams for.

Iklan Atas Artikel

Iklan Tengah Artikel 1

Iklan Tengah Artikel 2

Iklan Bawah Artikel