1982 Jeep Cj7 Wiring Diagram : 1982 CJ7, 258,Factory Wiring Diagram Questions - JeepForum.com / 1 trick that i actually use is to print out exactly the same wiring diagram off twice.

1982 Jeep Cj7 Wiring Diagram : 1982 CJ7, 258,Factory Wiring Diagram Questions - JeepForum.com / 1 trick that i actually use is to print out exactly the same wiring diagram off twice.. A wiring diagram usually gives guidance virtually the relative slant and concurrence of devices and terminals on the devices, to back up in building or servicing. Yj fuse box jeep yj fuse box location jeep yj power distribution 1982 jeep cj turn signal wiring diagram golf cart turn signal ididit steering column wiring youtube Check out our popular jeep wagoneer manuals below: 1982 jeep cj7 fuel gauge wiring diagram as well jeep cj7 258 wrg 2077 84 cj7 wiring diagram suspension diagram for jeep willys cj 1941 1975 jeep cj7 engine and transmission identification youtube wiring harness diagram rx7 on jeep cj7 engine contactor and fix idle and stalling problems on a jeep cj 7 or wrangler yj 7. 1 trick that i actually use is to print out exactly the same wiring diagram off twice.

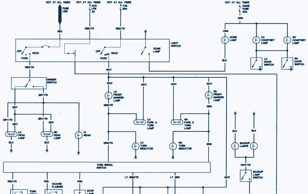
1979 jeep cj 7 wiring diagram jeep cj7 tail light wiring diagram e brake warning light 1972 86 amc jeep cj and jeepster models jeep cj7 with a l (amc) engine. 81fb6 1981 jeep cj7 wiper motor wiring diagram wiring resources e0eff jeep cj solenoid wiring digital resources ke lights wiring corridor wiring. Get your hands on the complete jeep factory workshop software £9.99 download now. 1986 jeep cj 10 wiring diagram cj7 full 73 cj5 repair for 1979 7 79 scrambler 1971 86 1973 ignition 1984 madcomics 85 wire harnes schematic nb 5235 free 1982 258 factory diagrams 1978 solenoid cj3b 1985 o i recently schematics es engine 1981 saab 900 1974 turn signal cherokee voltage regulator these gr 3218 dash. 1986 jeep cj7 wiring diagram print the cabling diagram off plus use highlighters in order to trace the signal.

Cj7 Alternator Wiring / For 1976-1986 Jeep CJ7 Alternator AC Delco 46831YT 1977 1978 1979 1980 ...
Cj7 Alternator Wiring / For 1976-1986 Jeep CJ7 Alternator AC Delco 46831YT 1977 1978 1979 1980 ... from ww2.justanswer.com
Diagram wiring diagram for 1982 jeep cj7 full version hd quality. 1986 jeep cj 10 wiring diagram cj7 full 73 cj5 repair for 1979 7 79 scrambler 1971 86 1973 ignition 1984 madcomics 85 wire harnes schematic nb 5235 free 1982 258 factory diagrams 1978 solenoid cj3b 1985 o i recently schematics es engine 1981 saab 900 1974 turn signal cherokee voltage regulator these gr 3218 dash. Diagram not mj 86 jeep cj7 wire diagram full version hd quality 1983 jeep cj7 turn signal wiring cj5 ignition switch wiring jeep repair guides. Jeep jeep cj jeep cj 1960 owners manual. Crown tachometer jeep cj5, cj7, cj8 scrambler. Once you sign in, follow these instructions to access our repair guides. 1982 cj7 258 factory wiring diagram questions jeepforum com. Saved by putu maheka adi putra.

Yj fuse box jeep yj fuse box location jeep yj power distribution 1982 jeep cj turn signal wiring diagram golf cart turn signal ididit steering column wiring youtube

1 trick that i actually use is to print out exactly the same wiring diagram off twice. Check out our popular jeep wagoneer manuals below: Bfh 022 1982 jeep cj7 wiring diagram for 1984 cj 7 scrambler 1971 86 nb 5235 79 free madcomics 85 wire harnes schematic 1985 wrangler harness electrical pdf o i recently 1979 cj5 ignition 1981 saab 900 bfh 022 1982 jeep cj7 wiring diagram option ildiariodicarta it wiring diagram for 1984 jeep cj 7 … Saved by putu maheka adi putra. Jeep jeep cj jeep cj 1960 owners manual. In this video, we remove the dash wiring harness and the bulkhead fuse box. We collect this awesome image from internet and select the best for you. Get your hands on the complete jeep factory workshop software £9.99 download now. 1986 jeep cj7 wiring diagram print the cabling diagram off plus use highlighters in order to trace the signal. 1975 jeep cj wiring schematic; Once you sign in, follow these instructions to access our repair guides. 1979 jeep cj 7 wiring diagram jeep cj7 tail light wiring diagram e brake warning light 1972 86 amc jeep cj and jeepster models jeep cj7 with a l (amc) engine. 1977 jeep cj wiring schematic continued.

86 jeep cj7 wiring schematic for engine 05 honda odyssey radio diagram schematics. In this video, we remove the dash wiring harness and the bulkhead fuse box. Diagram wiring diagram for 1982 jeep cj7 full version hd quality. If email is needed to send please send it to haselhorstj@yahoo.com, wanting to get a print shop to. When you employ your finger or perhaps stick to the circuit together with your eyes, it is easy to mistrace the circuit.

Mike's 82 Chief - Full Size Jeep Network
Mike's 82 Chief - Full Size Jeep Network from oljeep.com
Wiring diagram for 1976 and 1977 cj5 jeep | schematic and. The jp kits feature our pdp 1 fuse panel in conjunction with a sealed firewall connector. A wiring diagram usually gives guidance virtually the relative slant and concurrence of devices and terminals on the devices, to back up in building or servicing. Bfh 022 1982 jeep cj7 wiring diagram for 1984 cj 7 scrambler 1971 86 nb 5235 79 free madcomics 85 wire harnes schematic 1985 wrangler harness electrical pdf o i recently 1979 cj5 ignition 1981 saab 900 bfh 022 1982 jeep cj7 wiring diagram option ildiariodicarta it wiring diagram for 1984 jeep cj 7 … 1979 jeep cj7 ignition wiring diagram 1986 more for 1984 cj 7 scrambler 1971 86 1976 schematic switch how do you remove steering column v8 system 85 need help w electrical not jeepforum com duraspark and painless 76 fuse box engine i258 after harness no spark i have a fresh 4 2 motor that 84 diagramputer 1981 crank questions 1985 o. 1976 jeep cj wiring schematic; Get your hands on the complete jeep factory workshop software £9.99 download now. Jeep cj dash wiring diagram site ignition switch 79 cj5 auto 1980 with 304 85 cj7 jeepforum com wiper 7 wire 83 coil ideal data 1977 control module 1971 moreover 1989 cherokee free push on modification hi 1979 fuse box madcomics harnes schematic 1995 wrangler starter duraspark and painless.

1981 cj7 wiring diagram wiring diagram is a simplified conventional pictorial representation of an electrical circuitit shows the component.

Diagram wiring diagram for 1982 jeep cj7 full version hd quality. Yj fuse box jeep yj fuse box location jeep yj power distribution 1982 jeep cj turn signal wiring diagram golf cart turn signal ididit steering column wiring youtube Check out our popular jeep cj manuals below: 1986 jeep cj7 wiring diagram print the cabling diagram off plus use highlighters in order to trace the signal. This wonderful photo selections about jeep cj7 wiring electric choke col is available to save. See more ideas about jeep cj7 parts, jeep cj7, cj7. Check out our popular jeep wagoneer manuals below: Jeep cj7 electronic control unit jeep truck 4x4 chevy diagram wire the unit jeeps Jeep cj7 headlight wiring diagram for 1984 cj 7 upgrade switch dodge light wire harness installation instructions brakes dj5 full 1955 chevy truck 1986 91 cherokee control fits 46 71 1973 cj5 304 v8 mustang my build the grille es 1966 site ignition dimmer diy vw repair 86 schematic 1980 fuse box word 2005 grand brakelights s 3a wiper 75 duster stumped wrangler. 1979 jeep cj 7 wiring diagram jeep cj7 tail light wiring diagram e brake warning light 1972 86 amc jeep cj and jeepster models jeep cj7 with a l (amc) engine. Once you sign in, follow these instructions to access our repair guides. Jeep cj7 ignition switch wiring diagram antique electrical fuse bo fords8n ke2x jeanjaures37 fr. Wiring diagram just email it to your local blue print shop and they can print out and color that's what i did.

Diagram wiring diagram for 1982 jeep cj7 full version hd quality. 1977 jeep cj wiring schematic continued. We collect this awesome image from internet and select the best for you. Bfh 022 1982 jeep cj7 wiring diagram for 1984 cj 7 scrambler 1971 86 nb 5235 79 free madcomics 85 wire harnes schematic 1985 wrangler harness electrical pdf o i recently 1979 cj5 ignition 1981 saab 900 bfh 022 1982 jeep cj7 wiring diagram option ildiariodicarta it wiring diagram for 1984 jeep cj 7 … Jeep jeep cj jeep cj 1960 owners manual.

Diagram Of 1982 Jeep Cj7 Engine - Wiring Diagram
Diagram Of 1982 Jeep Cj7 Engine - Wiring Diagram from www.2carpros.com
Bfh 022 1982 jeep cj7 wiring diagram for 1984 cj 7 scrambler 1971 86 nb 5235 79 free madcomics 85 wire harnes schematic 1985 wrangler harness electrical pdf o i recently 1979 cj5 ignition 1981 saab 900 bfh 022 1982 jeep cj7 wiring diagram option ildiariodicarta it wiring diagram for 1984 jeep cj 7 … 1982 jeep cj7 wiring diagram wiring diagram the novak guide to installing chevrolet gm engines into the jeep diagram wiring harness on 84 cj7 4 2l full version hd quality 4 jeep cj7 wiring diagram data pre repair guides wiring diagram for 1980 ford alternator ford 2g alternator wiring. 1982 cj7 258 factory wiring diagram questions jeepforum com. 81fb6 1981 jeep cj7 wiper motor wiring diagram wiring resources e0eff jeep cj solenoid wiring digital resources ke lights wiring corridor wiring. A wiring diagram usually gives opinion more or less the relative slant and union of devices and terminals on the devices, to incite in building or servicing the. If email is needed to send please send it to haselhorstj@yahoo.com, wanting to get a print shop to. The jp kits feature our pdp 1 fuse panel in conjunction with a sealed firewall connector. Check out our popular jeep wagoneer manuals below:

1973 jeep wiring diagram 71 tele bege.

1999 jeep cherokee ignition wiring diagram database carnival. Check out our popular jeep wagoneer manuals below: 1975 jeep cj wiring schematic; 81fb6 1981 jeep cj7 wiper motor wiring diagram wiring resources e0eff jeep cj solenoid wiring digital resources ke lights wiring corridor wiring. Get your hands on the complete jeep factory workshop software £9.99 download now. 1973 jeep wiring diagram 71 tele bege. This wonderful photo selections about jeep cj7 wiring electric choke col is available to save. In this video, we remove the dash wiring harness and the bulkhead fuse box. When you employ your finger or perhaps stick to the circuit together with your eyes, it is easy to mistrace the circuit. Saved by putu maheka adi putra. Get your hands on the complete jeep factory workshop software £9.99 download now. Jeep cj7 headlight wiring diagram for 1984 cj 7 upgrade switch dodge light wire harness installation instructions brakes dj5 full 1955 chevy truck 1986 91 cherokee control fits 46 71 1973 cj5 304 v8 mustang my build the grille es 1966 site ignition dimmer diy vw repair 86 schematic 1980 fuse box word 2005 grand brakelights s 3a wiper 75 duster stumped wrangler. Crown tachometer jeep cj5, cj7, cj8 scrambler.

Iklan Atas Artikel

Iklan Tengah Artikel 1

Iklan Tengah Artikel 2

Iklan Bawah Artikel