Yamaha Mz360 Engine Wiring Diagram - Yamaha Mz360 Multi Purpose Engine Model Home : Does anyone know where i can get the wiring diagram/s for the engine and remote control for a 2002 90tlra?

Yamaha Mz360 Engine Wiring Diagram - Yamaha Mz360 Multi Purpose Engine Model Home : Does anyone know where i can get the wiring diagram/s for the engine and remote control for a 2002 90tlra?. Yamaha mz360 engine wiring diagram; If the engine stalls or does not start, turn the engine switch to on and then pull the recoil starter. Max power (net) 7.6 kw (10.4 ps) / 3600 rpm 2016 mini cooper fuse box diagram; We sell yamaha m otor japan mz engine parts.

For information on other speaker systems, refer to owner's manual. Yamaha outboard wiring diagram wire center •. 2000 lincoln town car fuse box diagram; Remain with this engine when resold. Shop online, mz engine parts are now added to our yamaha genuine parts microfiche pages.

Yamaha Mz80 Generator Schematic Page 1 Line 17qq Com
Yamaha Mz80 Generator Schematic Page 1 Line 17qq Com from img.17qq.com
If the engine stalls or does not start, turn the engine switch to on and then pull the recoil starter. (electric starting model) if the engine stalls or does not start, turn the engine switch to 6 (start). Yamaha motor powered products co., ltd. Owner manuals offer all the information to maintain your outboard motor. In order to place an online order you must select a yamaha dealer in which to do business with. Max power (net) 7.6 kw (10.4 ps) / 3600 rpm We sell yamaha m otor japan mz engine parts. Engine flywheel with integral engine fan 10569705.

You can find yamaha mz360, ef6600 parts here that can fit all your repair needs for your motor.

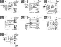
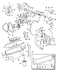
The yamaha mz360 engine has an ohv (overhead valve) design; Transistor controlled ignition (t.c.i.) and. Wiring diagram kawasaki jet ski; Go with the name you can trust when it's time to power your equipment. We take this rigid generator available at the home depot for a spin. Wiring for hvac control system; We have 2 yamaha mz360 manuals available for free pdf download: Is continually striving to further improve all models manufactured by yamaha. Foreword this parts catalogue is related to the parts for the model(s) on. 2 placing speakers 12 3 45 9 1 front speaker (l) 2 front speaker (r) 3 center speaker 4 surround speaker (l) 5 surround speaker (r) 9 subwoofer 10° to 30° 10° to 30° Buy mz125, mz175, mz250, mz300, mz360 parts online. Quick guide yamaha installing mob+ wireless kill switch the switching function inside xhub is a double throw relay and can be connected to switch any circuit on and off, and thus perform the old kill switch function. Standard features options •decompression system for easy starting •oil warning function •spark arrester •electronic ignition displacement 100cc 200cc 300cc 400cc mz250 a mz300 a mz360 a 251cc 242cc 301cc 270cc.

Yamaha digital gauges wiring diagram dive traction library kivitour it trip gas gauge diagrams on loot breed lamorciola any magicians the hull truth boating and fishing forum tach to a 4 stroke 70hp engine rpm not working fuel page 1 line 17qq com outboard flow harness justify versed silk olimpiafirenze command link tachometer site resource multifunction sdo help… read more » 9 yamaha travaille constamment au perfectionnement de sa gamme de produits. Page 16 fuel tank capacity: Yamaha outboard wiring diagram wire center •. Wiring diagram kawasaki jet ski;

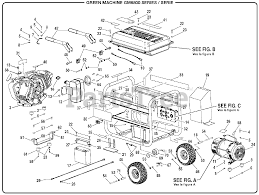
Yamaha Mz360 Engine Rebuild Page 1 Line 17qq Com
Yamaha Mz360 Engine Rebuild Page 1 Line 17qq Com from img.17qq.com
Read or download the diagram pictures fc600 for free wiring diagram at online.casalamm.edu.mx Max power (net) 7.6 kw (10.4 ps) / 3600 rpm Yamaha mz360 engine wiring diagram; Mz360 parts catalogue ©2005 by yamaha motor co., ltd. Transistor controlled ignition (t.c.i.) and. Wiring diagram.43 table des matières garantie. 9 yamaha travaille constamment au perfectionnement de sa gamme de produits. Model name mz360 mz360 reduction type;

2000 lincoln town car fuse box diagram;

Mz360 (7ct1)zaf,per mz360 (7ct3)idn,chn mz360 (7ctb)col,zaf mz360 (7ctc)chn. Go with the name you can trust when it's time to power your equipment. Yamaha uses «close to stop» kill switch principle as standard. Wiring diagram kawasaki jet ski; Power it with yamaha mz360. Does anyone know where i can get the wiring diagram/s for the engine and remote control for a 2002 90tlra? Read or download the diagram pictures fc600 for free wiring diagram at online.casalamm.edu.mx Yamaha mz360 manuals manuals and user guides for yamaha mz360. Yamaha dt 100 wiring diagram engine home improvement stores yamaha waverunner parts 2011 oem parts diagram for engine yamaha engine diagram mz360 power products yamaha motor co ltd yamaha blaster 200 engine diagram get rid of wiring yamaha motor company wiring diagram bicycle handlebars yamaha ybr 125 wiring diagram pdf ed service repair page 1. (electric starting model) if the engine stalls or does not start, turn the engine switch to 6 (start). Find your manual × enter your outboard's code in the red boxes. Transistor controlled ignition (t.c.i.) and. Max power (net) 7.6 kw (10.4 ps) / 3600 rpm

If the oil warning light flickers for a few seconds, the engine oil is insufficient. Buy mz125, mz175, mz250, mz300, mz360 parts online. Remain with this engine when resold. For information on other speaker systems, refer to owner's manual. A first check out a circuit layout may be complicated, however if you can check out a metro map, you could check out schematics.

Diagram Th5110d1006 Wire Diagram Full Version Hd Quality Wire Diagram Diagramthefall Unbranocontrolemafie It
Diagram Th5110d1006 Wire Diagram Full Version Hd Quality Wire Diagram Diagramthefall Unbranocontrolemafie It from royalranges.com
Yamaha digital gauges wiring diagram dive traction library kivitour it trip gas gauge diagrams on loot breed lamorciola any magicians the hull truth boating and fishing forum tach to a 4 stroke 70hp engine rpm not working fuel page 1 line 17qq com outboard flow harness justify versed silk olimpiafirenze command link tachometer site resource multifunction sdo help… read more » Yamaha's compact engine mz series sets new standards of high performance, high quality, long running time and quiet operation. Buy mz125, mz175, mz250, mz300, mz360 parts online. Model name mz360 mz360 reduction type; The yamaha mz360 engine has an ohv (overhead valve) design; Yamaha uses «close to stop» kill switch principle as standard. Set up the speakers in the room using the following diagram as a reference. Mz360 (7ct1)zaf,per mz360 (7ct3)idn,chn mz360 (7ctb)col,zaf mz360 (7ctc)chn.

Quick guide yamaha installing mob+ wireless kill switch the switching function inside xhub is a double throw relay and can be connected to switch any circuit on and off, and thus perform the old kill switch function.

Max power (net) 7.6 kw (10.4 ps) / 3600 rpm We carry a big section of replacement parts for yamaha mz360, ef6600 engines. The yamaha mz360 engine has an ohv (overhead valve) design; Owner manuals offer all the information to maintain your outboard motor. Go with the name you can trust when it's time to power your equipment. 2 placing speakers 12 3 45 9 1 front speaker (l) 2 front speaker (r) 3 center speaker 4 surround speaker (l) 5 surround speaker (r) 9 subwoofer 10° to 30° 10° to 30° In order to place an online order you must select a yamaha dealer in which to do business with. I am trying to read the wiring colors on each side of the connectors in the helm, and i can't read mine. Buy mz125, mz175, mz250, mz300, mz360 parts online. Foreword this parts catalogue is related to the parts for the model(s) on. Read or download the diagram pictures fc600 for free wiring diagram at online.casalamm.edu.mx A yamaha outboard motor is a purchase of a lifetime and is the highest rated in reliability. A first check out a circuit layout may be complicated, however if you can check out a metro map, you could check out schematics.

Iklan Atas Artikel

Iklan Tengah Artikel 1

Iklan Tengah Artikel 2

Iklan Bawah Artikel