1984 Ford F150 Alternator Wiring Diagram / 85 Ford F 150 Alternator Wiring - Wiring Diagram Networks - The car is running rough.

1984 Ford F150 Alternator Wiring Diagram / 85 Ford F 150 Alternator Wiring - Wiring Diagram Networks - The car is running rough.. The image above is an alternator from a 2002 ford ranger. Yes the second diagram is for all 2001 f150's, including extra cab, supercrew. The car is running rough. Now i have a burning wire smell coming from alternator and is now putting out low volts! Free ford wiring diagrams for your car or truck engine, electrical system, troubleshooting, schematics, free ford wiring diagrams.

I replaced the alternator in a 2013 ford fusion and i am still getting a check battery or check engine light coming on. Ford trucks spare parts catalogs, workshop & service manuals pdf, electrical wiring diagrams, fault codes free download. If you've reached this point you have verified that the alternator is not charging the battery (test 1) and that its battery output circuit has continuity (test 2). Yes the second diagram is for all 2001 f150's, including extra cab, supercrew. I put a 1982 ford f150 wiring harness into a 1984 ford f150 and i want to know if i could run one wire one to module box to make it start … read more.

1983 F150 Wiring Diagram
1983 F150 Wiring Diagram from lh5.googleusercontent.com
1950 ford f1 pickup truck. I need to know the wiring schematic for this year. I put a 1982 ford f150 wiring harness into a 1984 ford f150 and i want to know if i could run one wire one to module box to make it start … read more. What remote start are you putting in? Free ford wiring diagrams for your car or truck engine, electrical system, troubleshooting, schematics, free ford wiring diagrams. Dual internal cooling fans provide reliability during extreme temperaturesslip. Basically, there are a few components to be recognized when you disassemble an alternator from your engine bay. I need a wiring diagram for the voltage regulator alternator.

1950 ford f1 pickup truck.

I am having problems with the 50 amp fuse blowing for the blower motor and turn signals. Basically, there are a few components to be recognized when you disassemble an alternator from your engine bay. Wire has a piece of contact block attached. An alternative to the fsm is alldatadiy.com. Need wiring diagram alternator and regulator ford 1978 f150. I put a 1982 ford f150 wiring harness into a 1984 ford f150 and i want to know if i could run one wire one to module box to make it start … read more. Ford truck wire color and gauge chart. Search our online engine wiring harness catalog and find the lowest priced discount auto parts on the this part is also sometimes called ford f150 wiring harness. I need to know the wiring schematic for this year. Worked great for the first few minutes then failed! If you've reached this point you have verified that the alternator is not charging the battery (test 1) and that its battery output circuit has continuity (test 2). Replacing the alternator is normally an easy task, however the new alternator is different. The car is running rough.

I am having problems with the 50 amp fuse blowing for the blower motor and turn signals. Online biography resource from top telemedia ltd india henry ford. This 2008 ford f150 fuse diagram shows a central junction box located in the passenger compartment fuse panel located under the dash and a relay box under the hood. I put a 1982 ford f150 wiring harness into a 1984 ford f150 and i want to know if i could run one wire one to module box to make it start … read more. The car is running rough.

Ford F 150 Alternator Wiring - Wiring Diagram
Ford F 150 Alternator Wiring - Wiring Diagram from i2.wp.com
Ford f150 replacement engine wiring harness information. Online biography resource from top telemedia ltd india henry ford. 1985 ford f150 pick up. Alternator voltage regulator instrument panel starter and drive distributor 1989 ford f150 ignition wiring 1984 ford f 250 wiring diagram wiring diagrams. Made to oe specifications, this sturdy and reliable product fits and functions as. .victoria 1994 ford crown victoria lx 1994 ford crown victoria police interceptor 1994 ford crown victoria s 1994 ford econoline e150 1994 ford taurus lx 1994 ford taurus sho 1994 ford tempo gl 1994 ford tempo lx 1994 ford thunderbird lx 1994 ford thunderbird super coupe. Wire has a piece of contact block attached. Thank you for any help you may be able to give.

We stock engine wiring harness parts for most ford models including mustang.

I am having problems with the 50 amp fuse blowing for the blower motor and turn signals. Find aftermarket and oem parts online or at a local store near you. Ford truck wire color and gauge chart. Alternator voltage regulator instrument panel starter and drive distributor 1989 ford f150 ignition wiring 1984 ford f 250 wiring diagram wiring diagrams. 1985 ford f150 pick up. If you've reached this point you have verified that the alternator is not charging the battery (test 1) and that its battery output circuit has continuity (test 2). An alternative to the fsm is alldatadiy.com. Chrysler pt cruiser книга по ремонту, rus. Made to oe specifications, this sturdy and reliable product fits and functions as. Thank you for any help you may be able to give. Yes the second diagram is for all 2001 f150's, including extra cab, supercrew. Most of the wiring diagrams posted on this page are scans of original ford diagrams, not aftermarket reproductions. I put a 1982 ford f150 wiring harness into a 1984 ford f150 and i want to know if i could run one wire one to module box to make it start … read more.

Replacing the alternator is normally an easy task, however the new alternator is different. An alternative to the fsm is alldatadiy.com. Free ford wiring diagrams for your car or truck engine, electrical system, troubleshooting, schematics, free ford wiring diagrams. I need to know the wiring schematic for this year. Worked great for the first few minutes then failed!

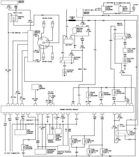
1984 Ford f150 wiring harness
1984 Ford f150 wiring harness from repairguide.autozone.com
Checking windshield wiper switch continuity. Ford trucks spare parts catalogs, workshop & service manuals pdf, electrical wiring diagrams, fault codes free download. I need to know the wiring schematic for this year. I am having problems with the 50 amp fuse blowing for the blower motor and turn signals. Thank you for any help you may be able to give. Online biography resource from top telemedia ltd india henry ford. Worked great for the first few minutes then failed! An alternative to the fsm is alldatadiy.com.

Basically, there are a few components to be recognized when you disassemble an alternator from your engine bay.

You can obtained a 2004 f150 ford pickup truck radio wiring diagram at most ford dealerships. 1950 ford f1 pickup truck. This 2008 ford f150 fuse diagram shows a central junction box located in the passenger compartment fuse panel located under the dash and a relay box under the hood. See more videos of ford f 150 schematics ford truck technical diagrams and schematics ford truck diagrams and schematics. These were scanned and posted as very large files, to preserve their readability. I am having problems with the 50 amp fuse blowing for the blower motor and turn signals. Can you please send me the wiring diagram for a 1996 ford f150 xlt with airconditioning and power windows and doors. Replacing the alternator is normally an easy task, however the new alternator is different. Free ford wiring diagrams for your car or truck engine, electrical system, troubleshooting, schematics, free ford wiring diagrams. Chrysler pt cruiser книга по ремонту, rus. We stock engine wiring harness parts for most ford models including mustang. The image above is an alternator from a 2002 ford ranger. Ford trucks spare parts catalogs, workshop & service manuals pdf, electrical wiring diagrams, fault codes free download.

Iklan Atas Artikel

Iklan Tengah Artikel 1

Iklan Tengah Artikel 2

Iklan Bawah Artikel