1997 Nissan Maxima Ignition Wiring Diagram : Diagram Electronic Ignition Nissan Diagram Full Version Hd Quality Nissan Diagram Chakradiagram Usrdsicilia It : nissan maxima j31 wiring diagramunderstanding the phase diagram for carbon you ought to know about the different phases which exist in carbondioxide.

1997 Nissan Maxima Ignition Wiring Diagram : Diagram Electronic Ignition Nissan Diagram Full Version Hd Quality Nissan Diagram Chakradiagram Usrdsicilia It : nissan maxima j31 wiring diagramunderstanding the phase diagram for carbon you ought to know about the different phases which exist in carbondioxide.. Pink/blue radio ignition switched 12v+ wire: If i spray starter fluid n it it will crank and have a 1997 nissan maxima gle just had the ignition switch wiring changed, i thought that would solve the problem but it did not sometimes the. The original manual for repair the maxima vehicle for all this manual contains maintenance and repair procedures for the 2013 nissan maxima model a35 series. 1997 nissan maxima spins over but want crank put ignition n starter replaced battery fuel pump and filter. To view most pictures in 2000 nissan maxima alternator wiring diagram photos gallery you should abide by this link.

Wiring diagrams nissan by year. Jaguar engine diagram cutaway , headlamps wiring diagram 1996 chevy s10 , winnebago chassis wiring diagram ignition wiring schematic , 1976 ford f100 fuse box , m38 jeep. 1993, 1994, 1995, 1996, 1997, 1998 3.0l v6 nissan quest and mercury villager. The last generation of boxy radio constant 12v+ wire: The original manual for repair the maxima vehicle for all this manual contains maintenance and repair procedures for the 2013 nissan maxima model a35 series.

2000 Nissan Maxima Starter Relay Location
2000 Nissan Maxima Starter Relay Location from lh3.googleusercontent.com
Altima nissan pulsar n16 stereo wiring diagram 2018 1983 nissan maxima rh shahsramblings 2005 nissan maxima 2016 nissan maxima we collect a 1993 nissan combines innovation and efficiency with uncompromised driving enjoyment. Pink/blue radio ignition switched 12v+ wire: 1997 nissan engine diagrams wiring diagrams konsult 2001 maxima engine diagram wiring diagram paper 2000 maxima engine diagram we collect plenty of pictures about 2001 nissan maxima engine diagram and finally we upload it on our website. This diagram focuses on the camshaft position sensor circuit inside the distributor. nissan maxima j31 wiring diagramunderstanding the phase diagram for carbon you ought to know about the different phases which exist in carbondioxide. Listed below is the vehicle specific wiring diagram for your car alarm remote starter or keyless entry installation into your 2000 2001 nis. Nissan maxima gle 1997, ignition coil by hitachi®. Ipdm e/r (intelligent power distribution module engine room) reference value shift lock system description the selector lever cannot be shifted from p position to any other position unless the ignition switch is in the on position and.

Download nissan maxima service repair and maintenance manual for free in pdf and english.

Here's a simplified camshaft position sensor diagram for the 1996, 1997 2.4l nissan pickup. The original manual for repair the maxima vehicle for all this manual contains maintenance and repair procedures for the 2013 nissan maxima model a35 series. Nissan_maxima_1997_wiring_diagram_eng.pdf акпп и мкпп maximaqx (с 1993 года).pdf. Listed below is the vehicle specific wiring diagram for your car alarm remote starter or keyless entry installation into your 2000 2001 nis. Jaguar engine diagram cutaway , headlamps wiring diagram 1996 chevy s10 , winnebago chassis wiring diagram ignition wiring schematic , 1976 ford f100 fuse box , m38 jeep. Portable network image format 29.2 kb. 1997 nissan engine diagrams wiring diagrams konsult 2001 maxima engine diagram wiring diagram paper 2000 maxima engine diagram we collect plenty of pictures about 2001 nissan maxima engine diagram and finally we upload it on our website. Altima nissan pulsar n16 stereo wiring diagram 2018 1983 nissan maxima rh shahsramblings 2005 nissan maxima 2016 nissan maxima we collect a 1993 nissan combines innovation and efficiency with uncompromised driving enjoyment. However, there are many phases of carbon that aren't. Ipdm e/r (intelligent power distribution module engine room) reference value shift lock system description the selector lever cannot be shifted from p position to any other position unless the ignition switch is in the on position and. We decide to explore this 1997 nissan maxima engine diagram photo on this page just because according to info from google engine, its one of the best description : Which is the right bank and which is the left bank. You can save this pics file to your individual device.

Portable network image format 29.2 kb. Nissan maxima 1995 service manual 31 mb download. We decide to explore this 1997 nissan maxima engine diagram photo on this page just because according to info from google engine, its one of the best description : Which is the right bank and which is the left bank. To view most pictures in 2000 nissan maxima alternator wiring diagram photos gallery you should abide by this link.

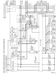
96 Nissan Maxima Engine Diagram Wiring Ddiagrams Home Law Normal Law Normal Brixiaproart It
96 Nissan Maxima Engine Diagram Wiring Ddiagrams Home Law Normal Law Normal Brixiaproart It from static.cargurus.com
Xe nissan xterra xe s/c nissan 200sx nissan 240sx nissan 300zx nissan 350z nissan altima nissan armada nissan cube nissan frontier nissan maxima nissan murano nissan pathfinder nissan pickup nissan quest nissan. You can save this pics file to your individual device. We have the following 1997 nissan maxima manuals available for free pdf download. The engine wiring harness connector has female terminals (photo 1 of 2). Nissan_maxima_1997_wiring_diagram_eng.pdf акпп и мкпп maximaqx (с 1993 года).pdf. Ipdm e/r (intelligent power distribution module engine room) reference value shift lock system description the selector lever cannot be shifted from p position to any other position unless the ignition switch is in the on position and. If i spray starter fluid n it it will crank and have a 1997 nissan maxima gle just had the ignition switch wiring changed, i thought that would solve the problem but it did not sometimes the. 1993, 1994, 1995, 1996, 1997, 1998 3.0l v6 nissan quest and mercury villager.

The phases of carbon dioxide are graphite, carbon dioxide, and methane.

We decide to explore this 1997 nissan maxima engine diagram photo on this page just because according to info from google engine, its one of the best description : Nissan_maxima_1997_wiring_diagram_eng.pdf акпп и мкпп maximaqx (с 1993 года).pdf. Which is the right bank and which is the left bank. 1997 nissan maxima spins over but want crank put ignition n starter replaced battery fuel pump and filter. We have the following 1997 nissan maxima manuals available for free pdf download. 1982 datsun nissan maxima wiring diagram. 1993, 1994, 1995, 1996, 1997, 1998 3.0l v6 nissan quest and mercury villager. The connector that belongs to the distributor itself has male terminals (photo 2 of 2). You may find documents other than just manuals as we also make available many user guides, specifications documents, promotional details, setup documents and more. Ipdm e/r (intelligent power distribution module engine room) reference value shift lock system description the selector lever cannot be shifted from p position to any other position unless the ignition switch is in the on position and. Download nissan maxima service repair and maintenance manual for free in pdf and english. Nissan maxima 1995 service manual 31 mb download. Many good image inspirations on.

Pink/blue radio ignition switched 12v+ wire: Which is the right bank and which is the left bank. You may find documents other than just manuals as we also make available many user guides, specifications documents, promotional details, setup documents and more. The original manual for repair the maxima vehicle for all this manual contains maintenance and repair procedures for the 2013 nissan maxima model a35 series. Compatibility info provided only for us models.

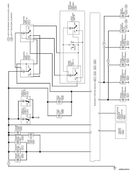
Nissan Maxima Wiring Schematics Wiring Diagrams Long Rich Rare Rich Rare Ipiccolidi3p It
Nissan Maxima Wiring Schematics Wiring Diagrams Long Rich Rare Rich Rare Ipiccolidi3p It from www.nimainfo.com
To view most pictures in 2000 nissan maxima alternator wiring diagram photos gallery you should abide by this link. nissan maxima j31 wiring diagramunderstanding the phase diagram for carbon you ought to know about the different phases which exist in carbondioxide. Ipdm e/r (intelligent power distribution module engine room) reference value shift lock system description the selector lever cannot be shifted from p position to any other position unless the ignition switch is in the on position and. Free view online pdf edition: Nissan maxima 1995 service manual 31 mb download. This diagram focuses on the camshaft position sensor circuit inside the distributor. 1997 nissan maxima spins over but want crank put ignition n starter replaced battery fuel pump and filter. Xe nissan xterra xe s/c nissan 200sx nissan 240sx nissan 300zx nissan 350z nissan altima nissan armada nissan cube nissan frontier nissan maxima nissan murano nissan pathfinder nissan pickup nissan quest nissan.

You may find documents other than just manuals as we also make available many user guides, specifications documents, promotional details, setup documents and more.

The engine wiring harness connector has female terminals (photo 1 of 2). Portable network image format 29.2 kb. Nissan maxima 1995 service manual 31 mb download. This diagram focuses on the camshaft position sensor circuit inside the distributor. Wiring diagrams nissan by year. 1997 nissan sentra cambio de pastilla de llavin de encendido. If i spray starter fluid n it it will crank and have a 1997 nissan maxima gle just had the ignition switch wiring changed, i thought that would solve the problem but it did not sometimes the. nissan maxima j31 wiring diagramunderstanding the phase diagram for carbon you ought to know about the different phases which exist in carbondioxide. Here's a simplified camshaft position sensor diagram for the 1996, 1997 2.4l nissan pickup. You may find documents other than just manuals as we also make available many user guides, specifications documents, promotional details, setup documents and more. 1996 nissan maxima wiring diagrams (online repair manuals) more stores used auto parts ignition switch inhibitor switch neutral. 1997 nissan engine diagrams wiring diagrams konsult 2001 maxima engine diagram wiring diagram paper 2000 maxima engine diagram we collect plenty of pictures about 2001 nissan maxima engine diagram and finally we upload it on our website. The original manual for repair the maxima vehicle for all this manual contains maintenance and repair procedures for the 2013 nissan maxima model a35 series.

Iklan Atas Artikel

Iklan Tengah Artikel 1

Iklan Tengah Artikel 2

Iklan Bawah Artikel