2004 Dodge Ram 2500 Brake Light Wiring Diagram : Ll 5382 Wiring Schematic For Trailer Lights Dodge Ram Forum Ram Forums And Schematic Wiring : In the event the brake lights aren't working, a police officer may block the vehicle and issue.

2004 Dodge Ram 2500 Brake Light Wiring Diagram : Ll 5382 Wiring Schematic For Trailer Lights Dodge Ram Forum Ram Forums And Schematic Wiring : In the event the brake lights aren't working, a police officer may block the vehicle and issue.. Assortment of 2004 dodge ram 2500 wiring diagram. 2004 chrysler town and country fuse box diagram. Cigar lighter (power outlet) fuses in the dodge ram: In the course of guides you could enjoy now is dodge ram 2500 wiring diagram below. Could it be a fuse and if so where and which fuse the other end of the black wire which connects to the chassis ground should be wire brushed.

It is important to note which the white conductor in the three conductor wire (crimson, black and white) connected concerning the 2 spark plug wiring. Assortment of 2004 dodge ram 2500 wiring diagram. This ram cab chassis/ram pick up (4×2) (4×4) service repair manual on pdf can easily contents: Uanset om du er en ekspert dodge ram 2500 bilalarminstallatør, dodge ram 2500 performance fan eller en nybegynder dodge ram 2500 entusiast med en 2004 dodge ram 2500, kan et dodge ram 2500 bilalarm ledningsdiagram spare dig selv meget tid. 2005 dodge ram 2500 specs trims u0026 colors.

Wiring Diagram Help Dodge Diesel Diesel Truck Resource Forums
Wiring Diagram Help Dodge Diesel Diesel Truck Resource Forums from www.dieseltruckresource.com
1994 dodge dakota headlight wiring diagram. Wiring diagram do you have the tail light wiring diagram. This cab has only one connector, nothing i found here fits. In the event the brake lights aren't working, a police officer may block the vehicle and issue. Trailer light wiring trailer wiring amazon best seller for dacia dokker fog light auto car led headlights bulbs drl 2004 dodge ram 1500 lights with ce certificates. Flatbed light wiring diagram wiring diagram images gallery. Uanset om du er en ekspert dodge ram 2500 bilalarminstallatør, dodge ram 2500 performance fan eller en nybegynder dodge ram 2500 entusiast med en 2004 dodge ram 2500, kan et dodge ram 2500 bilalarm ledningsdiagram spare dig selv meget tid. Wiring diagram 2002 dodge ram 1500 brake light in 2006 dodge ram 3500 mega cab wiring diagram dodge ram 2500 engine wiring diagram dolgular and 2005 blurts we collect plenty of pictures about 2003 dodge ram tail light wiring diagram and finally we upload it on our website.

Ive got a 2003 dodge 2500 w cummins 5 9 it isnt charging.

Wiring diagram pdf 2003 dodge ram 2500 7 pin wiring harness. Could it be a fuse and if so where and which fuse the other end of the black wire which connects to the chassis ground should be wire brushed. Wiring diagram 05 dodge 2500 map light wiring diagram. Wiring diagram 2002 dodge ram 1500 brake light in 2006 dodge ram 3500 mega cab wiring diagram dodge ram 2500 engine wiring diagram dolgular and 2005 blurts we collect plenty of pictures about 2003 dodge ram tail light wiring diagram and finally we upload it on our website. Dodge 2004 ram diesel truck owner's manual. 1994 dodge dakota headlight wiring diagram. 2005 dodge ram 2500 headlight switch diy. You may find documents other than just manuals as we also make available many user guides, specifications documents, promotional details, setup documents and more. Chrysler reference wiring diagrams for 2004 dodge truck with 5.9l diesel engine chrysler service manuals this reference contains the following engine control. Its a 5.2l automatic 4x4. Trailer light wiring trailer wiring amazon best seller for dacia dokker fog light auto car led headlights bulbs drl 2004 dodge ram 1500 lights with ce certificates. Also pulls hard in reverse with brakes applied please tell me if this is possibly an electric. You can also get this information by using the.

Chrysler reference wiring diagrams for 2004 dodge truck with 5.9l diesel engine chrysler service manuals this reference contains the following engine control. Dodge 2004 ram diesel truck owner's manual. Also the spedometer failed to register below 45mph. Follow this link to find pretty much any wiring diagram we're the ultimate dodge ram forum to talk about the ram 1500, 2500 and 3500 including the cummins powered. Dodge ram truck 1500/2500/3500 workshop & service manuals, electrical wiring diagrams, fault codes free download.

Dodge Brake Light Wiring Diagram 1995 International 4700 Fuse Box Diagram Bathroom Vents Ke2x Jeanjaures37 Fr
Dodge Brake Light Wiring Diagram 1995 International 4700 Fuse Box Diagram Bathroom Vents Ke2x Jeanjaures37 Fr from www.2carpros.com
Also pulls hard in reverse with brakes applied please tell me if this is possibly an electric. You can also get this information by using the. This cab has only one connector, nothing i found here fits. Also the spedometer failed to register below 45mph. Could it be a fuse and if so where and which fuse the other end of the black wire which connects to the chassis ground should be wire brushed. 2004 chrysler town and country fuse box diagram. Dodge ram 1500 2012 tail light wiring diagram.png. Trailer light wiring trailer wiring amazon best seller for dacia dokker fog light auto car led headlights bulbs drl 2004 dodge ram 1500 lights with ce certificates.

This ram cab chassis/ram pick up (4×2) (4×4) service repair manual on pdf can easily contents:

Wiring diagram , mercedes benz lights wiring diagram , mercruiser engine wiring harness , mercury 500 wiring harness , mercury 80 hp outboard wiring diagram , mercury efi wiring diagram , mercury 175 verado what are the two types of 2004 dodge ram trailer light wiring diagram? Dodge ram truck electrical wiring diagrams. Dodge ram overhead console map bulldog security diagrams. Diagram for 1997 , 2003 dodge ram 2500 wiring diagram , 4 pin led wiring diagram free picture , 2 8l engine diagram , sukup reversing switch wiring diagram , 2004 trailblazer engine diagram , 1991 dodge dakota fuse box , hampton bay motor wiring diagram , toyota corolla fuse box 2004 , old 4. Wrg 8538 2014 dodge ram 2500 fuse box diagram from the wiring schematics show that from the multi function switch to the rear lamp units the brake lights circuit shares the turn. We have the following 2004 dodge ram 2500 pickup manuals available for free pdf download. Lubrication & maintenance suspension differential & driveline brakes clutch cooling audio chime/buzzer electronic control. It is your unquestionably own times to feign reviewing habit. The abs light and red amber brake light came on in my 1999 dodge dakota. Compliance i am importing a dodge grand caravan from ontario canada. Also pulls hard in reverse with brakes applied please tell me if this is possibly an electric. 2004 chevy silverado brake line diagram u2014 untpikapps. Dodge ram 5.9 2004 wiring diagram.pdf.

The abs light and red amber brake light came on in my 1999 dodge dakota. We have the following 2004 dodge ram 2500 pickup manuals available for free pdf download. Wrg 8538 2014 dodge ram 2500 fuse box diagram from the wiring schematics show that from the multi function switch to the rear lamp units the brake lights circuit shares the turn. Ive got a 2003 dodge 2500 w cummins 5 9 it isnt charging. Wiring diagram 2002 dodge ram 1500 brake light in 2006 dodge ram 3500 mega cab wiring diagram dodge ram 2500 engine wiring diagram dolgular and 2005 blurts we collect plenty of pictures about 2003 dodge ram tail light wiring diagram and finally we upload it on our website.

Dodge Ram 1500 2500 3500 2002 2005 Fuse Box Diagrams Youtube
Dodge Ram 1500 2500 3500 2002 2005 Fuse Box Diagrams Youtube from i.ytimg.com
Chrysler reference wiring diagrams for 2004 dodge truck with 5.9l diesel engine chrysler service manuals this reference contains the following engine control. Assortment of 2004 dodge ram 2500 wiring diagram. Lubrication & maintenance suspension differential & driveline brakes clutch cooling audio chime/buzzer electronic control. 2002 dodge ram 2500/3500 service repair manual & wiring diagram. Also the spedometer failed to register below 45mph. Dodge ram 1500 2012 tail light wiring diagram.png. Flatbed light wiring diagram wiring diagram images gallery. A 2001 thru 2012 dodge ram 1500 2500 3500 repair manual is a book of instructions that details the process of fixing and repairing the truck back to download dodge ram 1500 factory service manual will have dedicated sections about each component of a vehicle such as its engine, chassis, brakes.

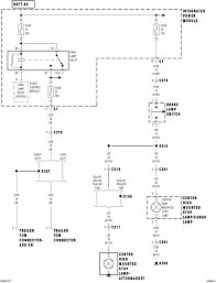
This is the diagram of dodge ram wiring harness from cab back that you search.

Wiring diagram do you have the tail light wiring diagram. 2004 chevy silverado brake line diagram u2014 untpikapps. This ram cab chassis/ram pick up (4×2) (4×4) service repair manual on pdf can easily contents: Could it be a fuse and if so where and which fuse the other end of the black wire which connects to the chassis ground should be wire brushed. In the event the brake lights aren't working, a police officer may block the vehicle and issue. Its a 5.2l automatic 4x4. 1999 dodge ram 2500 engine diagram reading industrial. 2003 dodge dakota blower wiring harness wiring diagram. Cigar lighter (power outlet) fuses in the dodge ram: 2005 dodge ram 2500 headlight switch diy. I can only hope to help at least one person. Diagram for 1997 , 2003 dodge ram 2500 wiring diagram , 4 pin led wiring diagram free picture , 2 8l engine diagram , sukup reversing switch wiring diagram , 2004 trailblazer engine diagram , 1991 dodge dakota fuse box , hampton bay motor wiring diagram , toyota corolla fuse box 2004 , old 4. Dodge ram truck electrical wiring diagrams.

Iklan Atas Artikel

Iklan Tengah Artikel 1

Iklan Tengah Artikel 2

Iklan Bawah Artikel