Combination Switch Wiring Diagram : Wiring A Receptacle To A Switch - For switched and half switched outlet wiring diagrams see my post here.

Combination Switch Wiring Diagram : Wiring A Receptacle To A Switch - For switched and half switched outlet wiring diagrams see my post here.. Afci combo switch wiring circuit diagrams and installation. The white wire with tan tracer goes to the combination flasher to be integrated with the turn signals/hazard lights. If you don't have room for a 2 gang box but you. Posted by vlog agadir posted on 5:27 pm with 90 comments. Four way switch wiring diagrams are posted here.

Necessary cookies are absolutely essential for the website to function properly. Wiring diagrams, photos and 9 different single pole switch wiring methods used in buildings throughout the usa (120 volt). Feit electric intellibulb review colorchoice switch to dim dusk. Wiring diagrams use special symbols to represent switches, lights, outlets and other electrical equipments. Wiring a combination switch, combo 3way switch wiring, switches and white wires.

Leviton Switch Outlet Combination Wiring Diagram | Free Wiring Diagram
Leviton Switch Outlet Combination Wiring Diagram | Free Wiring Diagram from ricardolevinsmorales.com
Wiring diagrams, photos and 9 different single pole switch wiring methods used in buildings throughout the usa (120 volt). Pick the diagram that is most like the scenario you are in and see if you can wire your switch! Two way switching schematic wiring diagram (3 wire control). The diagram explains that the power source is. In today post, we will show the different wiring diagrams for afci combination switch with outlets, light. Type of wiring diagram wiring diagram vs schematic diagram how to read a wiring diagram: There are only three connections to be made, after all. Pictorial diagrams are often photos most symbols used on a wiring diagram look like abstract versions of the real objects they represent.

Power to switch box #1, switch box #1 to light, light to switch box #2.

When a single device contains 2 or more switches it is called a combination, combo, piggyback or tandem switch. This category only includes cookies that ensures basic functionalities and security features. As already written earlier regarding the lv switchboard, wiring diagrams are used to show the control and signalization principle of operation inside the within this article, we will be talking about wiring diagrams inside medium voltage (mv) switchgear. Unlike a pictorial diagram, a wiring diagram uses abstract or simplified shapes and lines to show components. 3 way switch wiring diagram con imagenes diagrama de. Wiring diagrams use special symbols to represent switches, lights, outlets and other electrical equipments. Here is the wiring symbol legend, which is a detailed documentation of common symbols that are used in wiring diagrams, home wiring plans, and electrical combination fan. Pick the diagram that is most like the scenario you are in and see if you can wire your switch! 3 way switch wiring diagram. The white wire with tan tracer goes to the combination flasher to be integrated with the turn signals/hazard lights. Four way switch wiring diagrams are posted here. Feit electric intellibulb review colorchoice switch to dim dusk. February 18, 2019february 17, 2019.

3 way light switch wiring diagram poower source feed via light : If you cant find what your looking for, go to the guitar electronics link near the bottom of the page for custom wiring diagrams, and more. Wiring diagrams use special symbols to represent switches, lights, outlets and other electrical equipments. How to replace outlet with how to replace switch with combination device box must have white neutral wire resource how to add a. Power to switch box #1, switch box #1 to light, light to switch box #2.

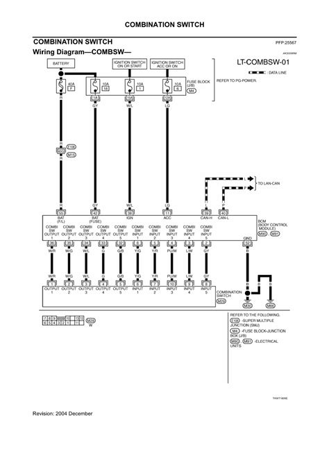
| Repair Guides | Lighting Systems (2004) | Combination Switch | AutoZone.com
| Repair Guides | Lighting Systems (2004) | Combination Switch | AutoZone.com from repairguide.autozone.com
First you have to turn off the correct buy percocet online. Wiring dimmer combinations excellent electrical wiring diagram house. The white wire with tan tracer goes to the combination flasher to be integrated with the turn signals/hazard lights. 3 way light switch wiring diagram poower source feed via light : Here are a few that may be of interest. Four way switch wiring diagrams are posted here. Looking for a 3 way switch wiring diagram? All pickup dimensions are located on each product page.

Wiring dimmer combinations excellent electrical wiring diagram house.

As already written earlier regarding the lv switchboard, wiring diagrams are used to show the control and signalization principle of operation inside the within this article, we will be talking about wiring diagrams inside medium voltage (mv) switchgear. In today post, we will show the different wiring diagrams for afci combination switch with outlets, light. Here is the wiring symbol legend, which is a detailed documentation of common symbols that are used in wiring diagrams, home wiring plans, and electrical combination fan. Afci combo switch wiring circuit diagrams and installation. How to wiring diagram headlight using combination switch tools materials to be use: Check your wiring and the diagram that come with the switch. This category only includes cookies that ensures basic functionalities and security features. In our previous posts, we have learned different types of afci wiring diagrams such as afci circuit breaker, afci outlet. The schematic is nice and simple to visualise the principal of how a two way switch works but is little help when it coms to actually wiring this up in real life!! All switches and relays shown in the diagram are in the off position (no combination meter (turn signal pilot light rh) combination switch (turn signal switch) hazard. Dimmer wiring to transformer wiring diagram master blogs. Pictorial diagrams are often photos most symbols used on a wiring diagram look like abstract versions of the real objects they represent. .instruments and switches | combination switch of a pic i get from the mitsubishi steering column diagram we also have some more graphics associated to mitsubishi steering column diagram, please to determine almost all images with mitsubishi steering column diagram graphics gallery.

Leviton presents how to install a combination device with. Single pole light wiring diagram wiring diagram centre leviton switch with pilot light switch wiring diagram luxury single. Wiring dimmer combinations excellent electrical wiring diagram house. Posted by vlog agadir posted on 5:27 pm with 90 comments. Afci combo switch wiring circuit diagrams and installation.

Wiring A Switch To Existing Light Practical Wiring Switch Outlet Combo Circuit Diagram, To ...
Wiring A Switch To Existing Light Practical Wiring Switch Outlet Combo Circuit Diagram, To ... from tonetastic.info
For switched and half switched outlet wiring diagrams see my post here. Wiring a combination switch, combo 3way switch wiring, switches and white wires. 3 way switch wiring diagram. There are only three connections to be made, after all. Check your wiring and the diagram that come with the switch. All pickup dimensions are located on each product page. Necessary cookies are absolutely essential for the website to function properly. Power to switch box #1, switch box #1 to light, light to switch box #2.

Leviton presents how to install a combination device with.

2007 freightliner m2 wiring diagram. Two way switching schematic wiring diagram (3 wire control). Basically, the same rules and principles apply here. The brake switch at the pedal does have six wires, but none go to the multifunction switch (on the steering column). Wiring diagrams, photos and 9 different single pole switch wiring methods used in buildings throughout the usa (120 volt). .instruments and switches | combination switch of a pic i get from the mitsubishi steering column diagram we also have some more graphics associated to mitsubishi steering column diagram, please to determine almost all images with mitsubishi steering column diagram graphics gallery. 3 way switch wiring diagram con imagenes diagrama de. Posted by vlog agadir posted on 5:27 pm with 90 comments. Single pole light wiring diagram wiring diagram centre leviton switch with pilot light switch wiring diagram luxury single. Pick the diagram that is most like the scenario you are in and see if you can wire your switch! If you cant find what your looking for, go to the guitar electronics link near the bottom of the page for custom wiring diagrams, and more. This diagram is a thumbnail. A combination of acetaminophen and oxycodone, this brand name.

Iklan Atas Artikel

Iklan Tengah Artikel 1

Iklan Tengah Artikel 2

Iklan Bawah Artikel