Daikin Mini Split Wiring Diagram / Wiring A Mini Split System Step By Step Youtube / While some manuals may only call for 18 gauge wire it is always lg and daikin are the leaders when it comes to reliable, long lasting mini split units.

Daikin Mini Split Wiring Diagram / Wiring A Mini Split System Step By Step Youtube / While some manuals may only call for 18 gauge wire it is always lg and daikin are the leaders when it comes to reliable, long lasting mini split units.. Altherma 3 r f wiring diagram: Just what is a wiring diagram? Tag archived of lg inverter mini split wiring diagram mini. The daikin mini split heat pump also has an infrared sensor capable of sensing movement in a room. Sistemas mini split inverter y multi split inverter.

Using the proper mini split communication wire is critical to a properly functioning unit. We're happy to answer any and all of your questions. A wiring diagram usually provides information concerning the loved one setting and arrangement of tools and terminals on the tools, in order to help in structure or servicing the gadget. Sistemas mini split inverter y multi split inverter. Clase energética > los equipos mini split inverter daikin cuentan con clase energética a, tanto en refrigeración como en calefacción.

Daikin Refrigeration And Air Conditioning Hvac Maintenance Heat Pump System
Daikin Refrigeration And Air Conditioning Hvac Maintenance Heat Pump System from i.pinimg.com
A wiring diagram is frequently utilized to repair troubles and to earn sure that the links have actually been made which whatever is present. 391 west water street taunton, ma 02780. The wide lineup helps you achieve the interior design as well as the cooling and heating you wired remote controller cord (shielded wire). Mitsubishi mini split wiring diagram. Daikin vrv system inverter air conditioners installation. Need help with daikin split system troubleshooting or daikin ducted air conditioning troubleshooting? Clase energética > los equipos mini split inverter daikin cuentan con clase energética a, tanto en refrigeración como en calefacción. Daikin 18000 btu wiring diagram.

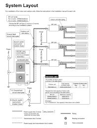
You can see diagram image of daikin ac indoor and outdoor and learn easily.

Klimaire wiring diagram daikin mini split wiring diagram split ac. Need help with daikin split system troubleshooting or daikin ducted air conditioning troubleshooting? Just what is a wiring diagram? Otherwise the system will not operate correctly. 569 x 1024 jpeg 104 кб. 1280 x 720 jpeg 79 кб. Exceptional build quality and commercial grade components are. We're happy to answer any and all of your questions. Daikin mini split wiring diagram free download wiring diagram wiring wiring diagram ac split lg wiring diagram database. Standardized wiring diagram symbols & color codes, august. A wiring diagram is frequently utilized to repair troubles and to earn sure that the links have actually been made which whatever is present. Indoor and outdoor wiring diagram separately you can learn easily. The best websites voted by users.

We're happy to answer any and all of your questions. Split air conditioner indoor pcb board wiring diagram basic split and window air conditioner pcb board wiring also, details how the parts work in todays video im gonna do a repair on a 2 ton daikin mini split that have a welded contactor and icing up,and then continue finding an additional problems. Exceptional build quality and commercial grade components are. Daikin indoor wiring split duct 10 hp | refrigeration. Length of 3 m length of 8 m.

Daikin Split Ac Wiring Diagram Pdf
Daikin Split Ac Wiring Diagram Pdf from i0.wp.com
1280 x 720 jpeg 79 кб. Indoor and outdoor wiring diagram separately you can learn easily. Standardized wiring diagram symbols & color codes, august. Clase energética > los equipos mini split inverter daikin cuentan con clase energética a, tanto en refrigeración como en calefacción. Midea mini split wiring diagram midea get free image. While some manuals may only call for 18 gauge wire it is always lg and daikin are the leaders when it comes to reliable, long lasting mini split units. The content of this video include or may include high voltage wiring, moving parts, suspended weights, risk of fire electrocution and many other hazards. Vrv multi split type air.

Midea mini split wiring diagram midea get free image.

Vrv multi split type air. We're happy to answer any and all of your questions. Wiring diagram ac split daikin. Mitsubishi mini split wiring diagram. Using the proper mini split communication wire is critical to a properly functioning unit. Sistemas mini split inverter y multi split inverter. While some manuals may only call for 18 gauge wire it is always lg and daikin are the leaders when it comes to reliable, long lasting mini split units. Indoor and outdoor wiring diagram separately you can learn easily. Split air conditioner indoor pcb board wiring diagram basic split and window air conditioner pcb board wiring also, details how the parts work in todays video im gonna do a repair on a 2 ton daikin mini split that have a welded contactor and icing up,and then continue finding an additional problems. Wiring diagram ac split daikin inverter valid wiring diagram lg. Just what is a wiring diagram? When a person leaves a room for more than 20 minutes, the heat daikin mini split air conditioner prices by size. 391 west water street taunton, ma 02780.

Quietside mini splits technical information the pdf. Wiring diagram ac split daikin. A very first look at a circuit diagram may be complex, yet if you can check out a metro map, you can check out schematics. Daikin mini split wiring diagram. A wiring diagram usually provides information concerning the loved one setting and arrangement of tools and terminals on the tools, in order to help in structure or servicing the gadget.

2021 Ductless Heating Cooling Cost Mini Split Prices Pros Cons
2021 Ductless Heating Cooling Cost Mini Split Prices Pros Cons from www.remodelingimage.com
Sacramento homeowner install daikin ductless mini split, daikin 17 seer wall mounted ductless mini split inverter air conditioner heat pump system 15 ft ductless mini split air conditioner buying guide sylvane. Lennox ac wiring diagram preclinical. A wiring diagram usually provides information concerning the loved one setting and arrangement of tools and terminals on the tools, in order to help in structure or servicing the gadget. Mitsubishi mini split wiring diagram. ¿qué es la tecnología inverter? Carrier air conditioner wiring diagram lovely carrier 73 3w heat air. Use the right breaker size. Wiring diagram ac split daikin inverter best großzügig daikin mini.

Daikin 18000 btu wiring diagram.

Basic diy on how to install any mini split including what tools are needed. Here we provide free downloadable copies of installation and service manuals for heating heat pump and daikin mini split wiring diagram uncomplicated daikin ductless heat. Fujitsu halcyon installation manual mini split tech support. Wiring diagram ac split daikin inverter best großzügig daikin mini. Iso14001 assures an effective environmental management system in order to help protect human health and the environment from the daikin europe n.v. A wiring diagram is frequently made use of to troubleshoot problems as well as to earn certain that all the links have actually been made and also that every little thing is present. Fuse box wiring kit wiring diagram. Otherwise the system will not operate correctly. The wide lineup helps you achieve the interior design as well as the cooling and heating you wired remote controller cord (shielded wire). 1280 x 720 jpeg 79 кб. Altherma 3 r f wiring diagram: Daikin 18000 btu wiring diagram. › fujitsu mini split troubleshooting codes.

Iklan Atas Artikel

Iklan Tengah Artikel 1

Iklan Tengah Artikel 2

Iklan Bawah Artikel