Home
› Solar Light Circuit Diagram / Automatic 40 Watt LED Solar Street Light Circuit Project - Part-1 | Circuit Diagram Centre - Before choosing the value of components and getting into the circuit diagram, it is essential to choose the load for our the solar garden light circuit will consist of two parts.
Solar Light Circuit Diagram / Automatic 40 Watt LED Solar Street Light Circuit Project - Part-1 | Circuit Diagram Centre - Before choosing the value of components and getting into the circuit diagram, it is essential to choose the load for our the solar garden light circuit will consist of two parts.
Solar Light Circuit Diagram / Automatic 40 Watt LED Solar Street Light Circuit Project - Part-1 | Circuit Diagram Centre - Before choosing the value of components and getting into the circuit diagram, it is essential to choose the load for our the solar garden light circuit will consist of two parts.. Solar garden light circuit diagram solar lights garden solar pathway lights solar garden lamps. Solar street light controller circuit diagram generator. 40 watt led pwm controll circuit diagram circuit diagram. Light dependent resistor is used to measured intensity of light. For indoor uses, if the circuit is operated near another lamp, it can be set to automatically turn on when the other lamp is turned off.
We all know that when the intensity of light falling on a ldr increases, its resistance decreases. Solar led light wiring diagram this circuit diagram shows the overall functioning of a circuit. That is what you will find in this simple diagram and video of this solar light circuit. It can be used for both indoor and outdoor night light applications. Here are controller of solar charger circuit diagram.when connecting a solar panel to a rechargeable battery, it is usually necessary to use a charge controller circuit to prevent the battery from overcharging.
Solar Lightning and Lightning Protection: Garden Solar Light Circuit Diagram from www.theorycircuit.com Circuit diagram of the solar garden light is shown in fig. You can easily write code for this circuit using adc of pic microcontroller and lcd display for digital display of these. For indoor uses, if the circuit is operated near another lamp, it can be set to automatically turn on when the other lamp is turned off. As can be seen in the given circuit diagram, the design. Light dependent resistor is used to measured intensity of light. Step by step pv panel installation tutorials with batteries, ups (inverter) and load calculation. On your solar circuit diagram, use arrows to illustrate the flow of electrons, and write a brief explanation of how electricity is generated and flows solar panels are made up of solar cells, also called photovoltaic cells. When wiring solar panels in a series, the voltage is additive, but the amperage remains the same.
Circuit must have adjustable voltage regulator , so variable voltage sun tracking solar panel.
Solar garden lights circuit diagram schematic design. Before choosing the value of components and getting into the circuit diagram, it is essential to choose the load for our the solar garden light circuit will consist of two parts. Solar battery charger circuit diagram solar battery charger circuit design. Home/solar circuit diagrams/solar panel schematic circuit diagram. Each spring i gather solar lights my neighbors tossed in the garbage after the lights have stopped working. Solar led light circuit from solar garden light circuits diagram , source:semmy.info solar led light circuit diagrams lights that glow detecting so, if you'd like to acquire all these awesome images related to (solar garden light circuits diagram ), just click save link to store the pics to your pc. Specifications of the charging circuit. I just tried this based on the diagram and it didn't seem to work. For indoor uses, if the circuit is operated near another lamp, it can be set to automatically turn on when the other lamp is turned off. As can be seen in the given circuit diagram, the design. The above circuit uses a solar panel rated 16v/5w to charge the battery during day time. The 8 best solar charge controllers. A very simple automatic solar light system for illuminating your garden passages can be built using some leds, a rechargeable battery and a small the circuit design is extremely straightforward and may be understood with the following points:
Friends in this video i will show you how to make automatic on/off rechargeable solar light circuit.simple solar lantern circuit.friends it is a simple. Solar led light wiring diagram this circuit diagram shows the overall functioning of a circuit. The complete circuit diagram is. It can be used for both indoor and outdoor night light applications. Solar garden light circuit diagram solar lights garden solar pathway lights solar garden lamps.
Solar Panel Based Charger And Small LED Lamp | Xtreme Circuits from lh4.googleusercontent.com Switches the lamp off at dawn, charges the battery during daytime and switches the led lights on at sunset. That is what you will find in this simple diagram and video of this solar light circuit. On your solar circuit diagram, use arrows to illustrate the flow of electrons, and write a brief explanation of how electricity is generated and flows solar panels are made up of solar cells, also called photovoltaic cells. Light sensor circuit diagram : Automatic led emergency light circuit. Solar led light circuit from solar garden light circuits diagram , source:semmy.info solar led light circuit diagrams lights that glow detecting so, if you'd like to acquire all these awesome images related to (solar garden light circuits diagram ), just click save link to store the pics to your pc. All about solar panel wiring & installation diagrams. Experts will tell you that there is more in the solar energy system than just parts.
Specifications of the charging circuit.
Automatic led emergency light circuit. Before choosing the value of components and getting into the circuit diagram, it is essential to choose the load for our the solar garden light circuit will consist of two parts. It is built around a solar lamp controller ic cl0116 (ic1), a miniature solar cell, a bright white led (led1) and a few other components. All about solar panel wiring & installation diagrams. We all know that when the intensity of light falling on a ldr increases, its resistance decreases. Step by step pv panel installation tutorials with batteries, ups (inverter) and load calculation. A voltage regulator was used to regulate the voltage flow to the battery to avoid fluctuations in the voltage level from panel to battery. The above circuit uses a solar panel rated 16v/5w to charge the battery during day time. Friends in this video i will show you how to make automatic on/off rechargeable solar light circuit.simple solar lantern circuit.friends it is a simple. Specifications of the charging circuit. A disadvantage of such a circuit design is the initial cost of the pv cell, and additional components such as the diode and capacitor. Simple solar tracker circuit diagram. The complete circuit diagram is.
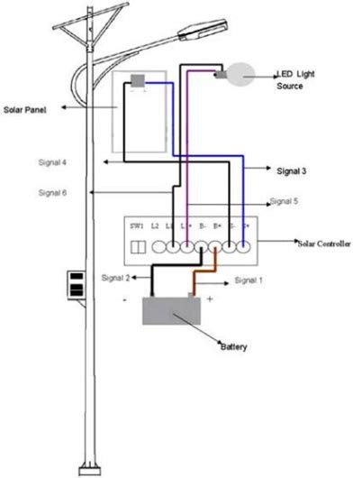
All of its essential components and connections are illustrated by graphic symbols arranged to describe operations as clearly as possible but without regard to the physical form of the various items. Solar street light controller circuit diagram generator. A very simple automatic solar light system for illuminating your garden passages can be built using some leds, a rechargeable battery and a small the circuit design is extremely straightforward and may be understood with the following points: E258383 159 69 3 193 garden solar light wire diagram, solved if the question asks you to draw a circuit diagram, minimal solar night light circuit solar street light block diagram solar street light circuit. It can be used for both indoor and outdoor night light applications.
Simple Solar Tracker Circuit using LM358 from electrosome.com You can easily write code for this circuit using adc of pic microcontroller and lcd display for digital display of these. All of its essential components and connections are illustrated by graphic symbols arranged to describe operations as clearly as possible but without regard to the physical form of the various items. I just tried this based on the diagram and it didn't seem to work. Light sensor circuit diagram : Solar cells are tiny electrical devices that convert energy from a light source. Complete circuit diagram of solar panel voltage measurement is shown blow. Experts will tell you that there is more in the solar energy system than just parts. It can be used for both indoor and outdoor night light applications.
Led solar lights circuit schematic.
Light sensor circuit diagram : Bakersfield street lights project featuring greenshine supera systems the greenshine installations are iconic projects that demonstrate the. Solar led light circuit from solar garden light circuits diagram , source:semmy.info solar led light circuit diagrams lights that glow detecting so, if you'd like to acquire all these awesome images related to (solar garden light circuits diagram ), just click save link to store the pics to your pc. I just tried this based on the diagram and it didn't seem to work. We all know that when the intensity of light falling on a ldr increases, its resistance decreases. The led street light automatically turns on after the dusk and turns off after the dawn. As can be seen in the given circuit diagram, the design. Solar light wiring diagram wiring diagram and schematic diagram images. Automatic led emergency light circuit. Here ic1 is wired as a medium current inverting line driver, switched by an encapsulated light detector (10mm ldr). The sun falls on the solar cell and charges the battery. The complete circuit diagram is. Charge control can be performed with a number of different circuit types.