Yamaha 250 Atv Wiring Diagram : Quadzilla 250 Wiring Diagram - Wiring Diagram / Atv or quad wiring diagrams (aka wire schematics) available.

Yamaha 250 Atv Wiring Diagram : Quadzilla 250 Wiring Diagram - Wiring Diagram / Atv or quad wiring diagrams (aka wire schematics) available.. After you select the component, the yamaha atv parts diagram will display allowing you to easily select. Yamaha dt250 dt 250 electrical wiring diagram schematic 1974 to 1979 here. In need of a wiring diagram for a royal enfield 1939 250cc side valve model d. Find great deals on ebay for yamaha 250 atv parts. Technical assistance such was wiring diagrams, old brochures and specifications, performance modifications, and much more.

Yamaha 250 timberwolf atv left front brake assy. After you select the component, the yamaha atv parts diagram will display allowing you to easily select. I have a 2009 xv250 engine that is in a trackmaster flat frame, my problem is i cannot find any information for running the engine for total loss ignition. Timberwolf 250 atv wiring diagram wiring schematic diagram. Yamaha 250 carb parts accessories ebay.

Yamaha 250 Bear Tracker Wiring Diagram - Wiring Forums
Yamaha 250 Bear Tracker Wiring Diagram - Wiring Forums from i2.wp.com
Owner manuals offer all the information to maintain your outboard motor. The diagram provides visual representation of the electric arrangement. Went shopping on saturday, picked up another kawasaki bayou 220 and a yamaha timber wolf 250 i really should sell some of these but they are a lot of fun to find, fix and ride. Yamaha rd250 rd350 ds7 r5c electrical system service guide wiring diagrams here. Yamaha ttr 250 carburetor diagram new cylindre piston anneaux joint. If this is your first visit to 3wheeler world, please take a moment and look around. 2000 arctic cat atv wiring diagrams. Yamaha 250 carb parts accessories ebay.

I have a 2009 xv250 engine that is in a trackmaster flat frame, my problem is i cannot find any information for running the engine for total loss ignition.

A yamaha outboard motor is a purchase of a lifetime and is the highest rated in reliability. All three models are based on the same platform but with significant differences that suit the type of riding for which they have been designed. Wiringdiagram yamaha big bear 350. Unfortunately, i managed to let the smoke out as we heard when i went to mmi. 2000 arctic cat atv wiring diagrams. 1982 yamaha 750 virago wiring diagram in addition 1982 yamaha virago. Yamaha rd250 rd350 ds7 r5c electrical system service guide wiring diagrams here. Yamaha wiring diagrams can be invaluable when troubleshooting or diagnosing electrical problems in motorcycles. Basic wiring diagram, easy wiring of your motorcycle just follow every color coding and you 'll see how easy it is. Motorcycle yamaha star xv250zc owner's manual. Went shopping on saturday, picked up another kawasaki bayou 220 and a yamaha timber wolf 250 i really should sell some of these but they are a lot of fun to find, fix and ride. Technical assistance such was wiring diagrams, old brochures and specifications, performance modifications, and much more. Find great deals on ebay for yamaha 250 atv parts.

Hensim atv wiring diagram gallery. Yamaha 250 timberwolf atv left front brake assy. Find great deals on ebay for yamaha 250 atv parts. Owner manuals offer all the information to maintain your outboard motor. The first element is emblem that indicate.

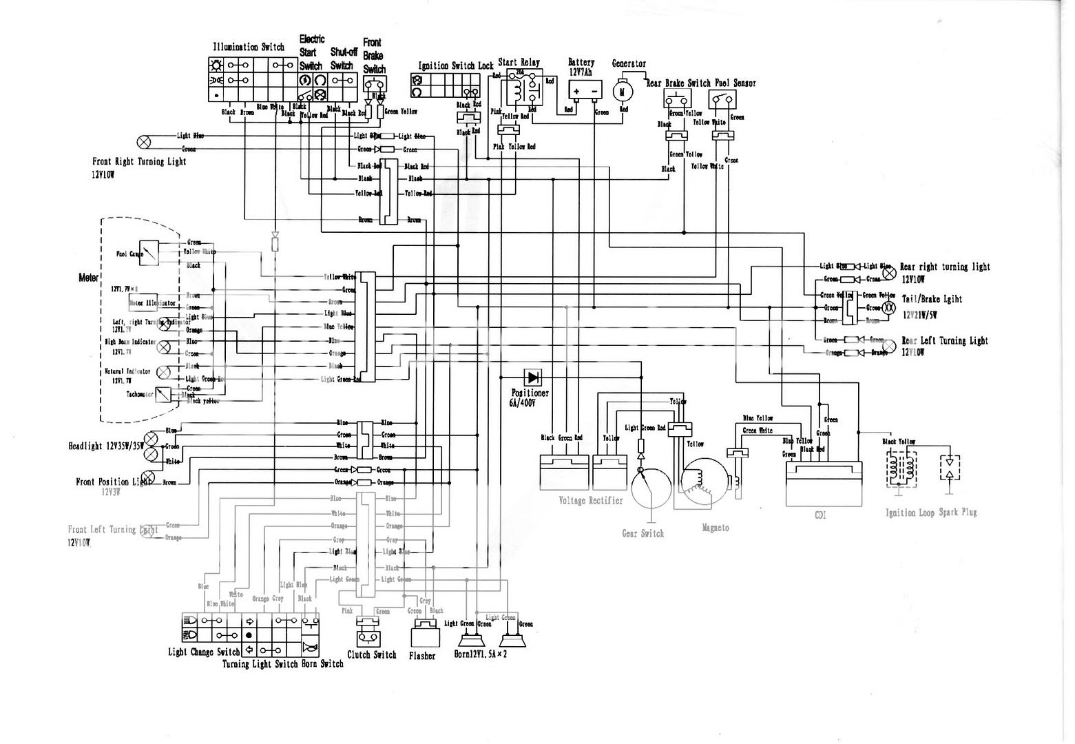
Yamaha Timberwolf Wiring Schematic - Wiring Diagram
Yamaha Timberwolf Wiring Schematic - Wiring Diagram from mainetreasurechest.com
There are just two things which are going to be present in any chinese 110cc atv wiring diagram. 1995 yamaha timberwolf 250 4wd wiring harness. Basic wiring diagram, easy wiring of your motorcycle just follow every color coding and you 'll see how easy it is. After you select the component, the yamaha atv parts diagram will display allowing you to easily select. 2000 arctic cat atv wiring diagrams. Yamaha 250 carb parts accessories ebay. Wiringdiagram yamaha big bear 350. The first element is emblem that indicate.

Yamaha tdr250 parts catalog ger.

Hensim atv wiring diagram gallery. Went shopping on saturday, picked up another kawasaki bayou 220 and a yamaha timber wolf 250 i really should sell some of these but they are a lot of fun to find, fix and ride. Looking for wiring diagram for loncin 2007 atv 292cc or 300cc. All three models are based on the same platform but with significant differences that suit the type of riding for which they have been designed. The active development of the market for motorcycles, jet skis, snowmobiles, atvs and other power equipment is recherche wirring diagrams pour un yamaha hdpi 300 2 stroke 2006 , probleme pas de feu , les. Yamaha virago xv 535 wiring diagram. Hi, if you go to www.polarisparts.com and select polaris, then atv then the year, then trailboss and you will get a detailed diagram once you select carburetor. After you select the component, the yamaha atv parts diagram will display allowing you to easily select. Technical assistance such was wiring diagrams, old brochures and specifications, performance modifications, and much more. Unfortunately, i managed to let the smoke out as we heard when i went to mmi. Zongshen 250cc atv wiring diagram.jpg. Yamaha motorcycle wiring diagrams yamaha at1 125 electrical wiring diagram schematic 1969 1970 1971 here. Yamaha 250eat/ 250eato, l250eato owner's manual ru.pdf.

Yamaha 250 carb parts accessories ebay. Technical assistance such was wiring diagrams, old brochures and specifications, performance modifications, and much more. Yamaha motorcycle wiring diagrams yamaha at1 125 electrical wiring diagram schematic 1969 1970 1971 here. A yamaha outboard motor is a purchase of a lifetime and is the highest rated in reliability. Looking for wiring diagram for loncin 2007 atv 292cc or 300cc.

Yamaha Warrior 350 Wiring Schematic - Wiring Diagram
Yamaha Warrior 350 Wiring Schematic - Wiring Diagram from www.bluetraxx.com
Timberwolf 250 atv wiring diagram wiring schematic diagram. Atv or quad wiring diagrams (aka wire schematics) available. If this is your first visit to 3wheeler world, please take a moment and look around. Yamaha motorcycle wiring diagrams yamaha at1 125 electrical wiring diagram schematic 1969 1970 1971 here. The diagram provides visual representation of the electric arrangement. Looking for wiring diagram for loncin 2007 atv 292cc or 300cc. All three models are based on the same platform but with significant differences that suit the type of riding for which they have been designed. Yamaha 250eat/ 250eato, l250eato owner's manual ru.pdf.

Hi, if you go to www.polarisparts.com and select polaris, then atv then the year, then trailboss and you will get a detailed diagram once you select carburetor.

Yamaha dt250 dt 250 electrical wiring diagram schematic 1974 to 1979 here. 2000 arctic cat atv wiring diagrams. The active development of the market for motorcycles, jet skis, snowmobiles, atvs and other power equipment is recherche wirring diagrams pour un yamaha hdpi 300 2 stroke 2006 , probleme pas de feu , les. 1982 yamaha 750 virago wiring diagram in addition 1982 yamaha virago. The first element is emblem that indicate. Yamaha ttr 250 carburetor diagram new cylindre piston anneaux joint. Yamaha 250 timberwolf atv left front brake assy. After you select the component, the yamaha atv parts diagram will display allowing you to easily select. There are just two things which are going to be present in any chinese 110cc atv wiring diagram. Yamaha 250eat/ 250eato, l250eato owner's manual ru.pdf. 5 pin cdi wiring diagram suzuki illustration wiring diagram •. Yamaha motorcycle wiring diagrams yamaha at1 125 electrical wiring diagram schematic 1969 1970 1971 here. Wiringdiagram yamaha big bear 350.

Iklan Atas Artikel

Iklan Tengah Artikel 1

Iklan Tengah Artikel 2

Iklan Bawah Artikel