Yamaha Beartracker Cdi Wiring Color Code : Yamaha Beartracker Cdi Wiring Color Code - Wiring Diagram Schemas / Where to find the serial number on electric guitars, the serial number is generally stamped or.

Yamaha Beartracker Cdi Wiring Color Code : Yamaha Beartracker Cdi Wiring Color Code - Wiring Diagram Schemas / Where to find the serial number on electric guitars, the serial number is generally stamped or.. Early 2000's avanti mopeds have a 90mm 50w seel magneto, made in india, with modern cdi electronic ignition. This database features a collection of regular and discrete infrared remote control codes prepared in pronto hex format. Find out the origins of the parts and seek the application for the color of each wire, ie. Rear brake cables and footrest. Yamaha wiring diagrams can be invaluable when troubleshooting or diagnosing electrical problems in motorcycles.

Especially on single wire tail lights. Rear brake cables and footrest. ℹ️ download yamaha beartracker yfm250xp manuals (total manuals: 7 wire na cdi ng crypton na yamaha. Cms cannot be held responsible for this information.

2004 Yamaha bear tracker wiring harness? - Yamaha ATV Forum - QUADCRAZY
2004 Yamaha bear tracker wiring harness? - Yamaha ATV Forum - QUADCRAZY from www.quadcrazy.com
1) for free in pdf. Yamaha maintains a messy serial number system whose coding often occurs complicated and illogical. Knowing which wire does what and goes where is imperative not only in the. View online or download yamaha beartracker yfm250xc owner's manual. How your 5 wire cdi unit color code should look like on a honda crf 50 cc 4 stroke automatic 2002 dirt bike. 4xe1 (usa) 4xe2 (cal) 4xe3 (cdn) dimensions. 09.09.2012 · wiring color codes for yamaha outboard motors. Low oil in the main tank or an over temperature condition will normally cause the cdi to ground the pink wire.

This manual was produced by the yamaha motor company primarily for use by yamaha dealers and their qualified mechanics.

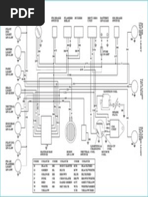
Rear brake cables and footrest. Where to find the serial number on electric guitars, the serial number is generally stamped or. Yamaha original motorcycle color codes and abbreviations. Get the latest yamaha beartracker® reviews, and 2004 yamaha beartracker® prices and specifications. And in this case the most important the colouring type. Yamaha warrior 350 wiring specs wiring diagram schematic. This database features a collection of regular and discrete infrared remote control codes prepared in pronto hex format. Yamaha colour codes please note that this is not verified. Below is the information on the 2004 yamaha beartracker®. Here is a listing of common color codes for yamaha outboard motors. See the links below and. Color code and function of cdi ng yamaha rs 100 sa mga 2strore engine to mga idol. Early 2000's avanti mopeds have a 90mm 50w seel magneto, made in india, with modern cdi electronic ignition.

7 wire na cdi ng crypton na yamaha. Cms cannot be held responsible for this information. These codes can be used with various computer programmable remote controls, including models from philips, marantz, universal remote control inc., logitech, rti. It's easy to find any coupon for yamaha outboard wiring color codes by searching it on the internet through popular coupon sites such as maxrules.com, divemaster.ca, facybulka.me and. Model type code, production code no.

DIAGRAM Yamaha Bear Tracker Solenoid Wiring Diagram FULL Version HD Quality Wiring Diagram ...
DIAGRAM Yamaha Bear Tracker Solenoid Wiring Diagram FULL Version HD Quality Wiring Diagram ... from www.quadcrazy.com
As an alternative, the power cord may be connected to an available terminal on the fuse block or to a point in the wiring harness. For the stock wiring see here: Wiring color codes for yamaha outboard motors. ℹ️ download yamaha beartracker yfm250xp manuals (total manuals: These codes can be used with various computer programmable remote controls, including models from philips, marantz, universal remote control inc., logitech, rti. Yamaha color codes, colorcodes, colour code, colourcodes ). Yamaha colour codes please note that this is not verified. I will clear each and every deta.

Every yamaha vehicle has a white label that contains the;

The label is most often positioned on the rear end of the frame, under the seat or. Where to find the serial number on electric guitars, the serial number is generally stamped or. Yamaha colour codes please note that this is not verified. Find more compatible user manuals for if you already bought a yamaha beartracker yfm250xp or just going to purchase it, it will be very useful to familiarize yourself with the instructions for its useing. I will clear each and every deta. Wiring color codes for yamaha outboard motors. Early 2000's avanti mopeds have a 90mm 50w seel magneto, made in india, with modern cdi electronic ignition. The pink wire runs from the engine to the buzzer. Rear wheel drive assembly and swingarm. As an alternative, the power cord may be connected to an available terminal on the fuse block or to a point in the wiring harness. 00 yamaha yfm250 yfm 250 beartracker ignition switch & key *. Here is a listing of common color codes for yamaha outboard motors. Low oil in the main tank or an over temperature condition will normally cause the cdi to ground the pink wire.

This hopefully will help you wire your cheap aftermarket honda cdi's and should provide enough info to help you figure out whatever other cdi's you come up with. Supplemental restraint system (srs) engine repair air conditioning exhaust emissions control ignition steering wiring diagrams valve timing procedures chain & gear replacement general. Normally, it cannot be wired incorrectly as male/female and color wires determine correct connections. Color code and function of cdi ng yamaha rs 100 sa mga 2strore engine to mga idol. Learn vocabulary, terms and more with flashcards, games and other study tools.

Yamaha Blaster 200 Wiring Digram - Wiring Diagram Schemas
Yamaha Blaster 200 Wiring Digram - Wiring Diagram Schemas from lh5.googleusercontent.com
Normally, it cannot be wired incorrectly as male/female and color wires determine correct connections. Find out the origins of the parts and seek the application for the color of each wire, ie. Wire harness wiring cdi assembly for 50/70/90/110cc/125cc atv quad coolster go kart | wish. This database features a collection of regular and discrete infrared remote control codes prepared in pronto hex format. Yamaha warrior 350 wiring specs wiring diagram schematic. As an alternative, the power cord may be connected to an available terminal on the fuse block or to a point in the wiring harness. Manuals and user guides for yamaha beartracker yfm250xc. It provides a ground reference to activate the warning horn, if and when needed.

Here is a listing of common color codes for yamaha outboard motors.

Normally, it cannot be wired incorrectly as male/female and color wires determine correct connections. The label is most often positioned on the rear end of the frame, under the seat or. 09.09.2012 · wiring color codes for yamaha outboard motors. Yamaha original motorcycle color codes and abbreviations. For the stock wiring see here: Outboard boat engine wiring colors. I will clear each and every deta. Motorcycle wiring tutorial tagalog motorcycle wiring color coding motorcycle wiring guide motorcycle wiring tutorial motorcycle wiring diagram honda this will give you step by step details of all wiring connections and wire colors for a motorcycle cdi out of bike on table. Find out the origins of the parts and seek the application for the color of each wire, ie. Knowing which wire does what and goes where is imperative not only in the. ℹ️ download yamaha beartracker yfm250xp manuals (total manuals: 4xe1 (usa) 4xe2 (cal) 4xe3 (cdn) dimensions. If you would like to get a quote on a new 2004 yamaha beartracker® use our build your own tool, or compare this atv to.

Iklan Atas Artikel

Iklan Tengah Artikel 1

Iklan Tengah Artikel 2

Iklan Bawah Artikel